浙江省2011年7月自考機械產品質檢技術試題
浙江省2011年7月高等教育自學考試$lesson$
機械產品質檢技術試題
課程代碼:01958
一、單項選擇題(本大題共10小題,每小題2分,共20分)
在每小題列出的四個備選項中只有一個是符合題目要求的,請將其代碼填寫在題后的括號內。錯選、多選或未選均無分。
1.夾緊誤差屬于( )
A.系統靜態誤差 B.系統動態誤差
C.原理誤差 D.工件安裝誤差
2.細長軸的長度和直徑之比大于( )
A.10 B.20轉自環 球 網 校edu24ol.com
C.15 D.30
3.游標卡尺屬于( )
A.量具 B.量儀
C.測量裝置 D.計量儀器
4.刀具磨損屬于( )
A.系統靜態誤差 B.系統動態誤差
C.原理誤差 D.測量誤差
5.對有配合要求的工件,其尺寸的檢驗應符合( )
A.最大實體原則 B.封閉型原則
C.阿貝原則 D.泰勒原則
6.用圓柱光滑量規檢驗孔的合格性時,判為合格的條件是( )
A.通規通 B.止規止
C.通規通,止規止 D.止規通
7.使用正弦規測量角度屬于( )
A.間接測量 B.絕對測量
C.綜合測量 D.相對測量
8.針描法主要用于測量表面粗糙度的( )
A.Ra B.Rz
C.Ry D.Ra與Ry
9.用綜合量規檢驗同軸度滿足( )
A.測量坐標值原則 B.與理想因素比較原則
C.測量跳動原則 D.控制實效邊界原則
10.三點法測量圓度誤差時,工件旋轉一周,指示器讀數______作為測得值。( )
A.最大值 B.最小值
C.最大差值 D.最大差值的一半
二、多項選擇題(本大題共5小題,每小題2分,共10分)
在每小題列出的五個備選項中至少有兩個是符合題目要求的,請將其代碼填寫在題后的括號內。錯選、多選、少選或未選均無分。
1.機械產品零件的表面質量包括( )
A.表面粗糙度 B.表面波紋度
C.表面加工硬化 D.表面金相組織
E.表面殘余應力
2.工藝系統的原理誤差包括( )
A.機床誤差 B.夾具誤差
C.采用了近似的加工原理 D.采用了近似形狀的刀具
E.夾緊誤差
3.裝配質量主要包括( )
A.檢測精度 B.裝配精度
C.操作性能 D.裝配成本
E.使用性能
4.零件的加工質量包括( )
A.加工精度 B.表面質量
C.形狀精度 D.位置精度
E.表面粗糙度
5.檢測過程主要包括______幾大要素。( )
A.檢測對象 B.計量單位
C.檢測方法 D.檢測儀器
E.檢測精度
三、填空題(本大題共10小題,每空1分,共20分)
請在每小題的空格中填上正確答案。錯填、不填均無分。
1.機械加工質量的控制就是對______和______的控制。
2.測量器具是量具、量規、______、______的總稱。
3.按決定測量結果的全部因素或條件是否改變,測量可分為______和______。
4.測量器具的計量檢定就是確保器具的精度、______和______。
5.三坐標測量機根據測量原理的不同可分為______、______和光學坐標測量機。
6.同軸度誤差的測量方法主要有壁厚差測量法、光軸法、指示器法、______和______等五種方法。
7.硬度試驗可分為______和______。
8.切削加工前的毛坯檢驗主要是對毛坯進行______、______和外觀質量檢驗。
9.機床的裝配精度包括定位精度、傳動精度、______、______和相互位置精度。
10.軋制件的力學性能試驗主要包括______、______和沖擊試驗。
四、名詞解釋(本大題共5小題,每小題2分,共10分)
1.測量重復性
2.系統誤差
3.光切法
4.分組選配法
5.機床的幾何精度
五、簡答題(本大題共4小題,每小題5分,共20分)
1.簡述檢驗與測量的區別。
2.簡述測量器具的選擇依據。
3.簡述表面粗糙度的檢測方法有哪些。
4.簡述形位誤差的檢測原則。
六、分析與繪圖題(本大題共2小題,每小題10分,共20分)
1.請說明平面度誤差的檢測方法有哪些,并畫出指示器檢測法的原理圖。
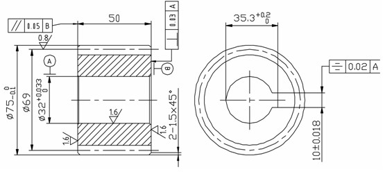
2.請建立圖示齒輪零件的綜合檢驗卡,標明工步內容、工藝裝備,并簡述齒輪右端面對基準A的垂直度的檢驗方法。

最新資訊
- 自學考試《習概》2024年-2025年真題及答案解析匯總【免費領取】2025-11-17
- 自學考試《馬原》2022年-2025年真題及答案解析【免費領取】2025-11-17
- 2025年10月自考《英語二》完形補文+寫作真題及答案整理2025-10-30
- 備考重點!2025年10月自學考試全專業真題、答案解析合集匯總2025-10-30
- 同步更新!2025年10月自考《英語二》真題及答案匯總(完整版)2025-10-29
- 答案發布!2025年10月自考各專業真題已匯總2025-10-29
- 2025年10月自考《英語二》選擇、完形填空、寫作真題及答案更新!2025-10-28
- 更新!2025年10月自考《英語二》答案匯總2025-10-28
- 簡答題+論述題!2025年10月自考《毛概》真題答案速看2025-10-28
- 2025年10月自考本科對答案!公共課+專業課全科目真題及答案解析2025-10-28