2008年造價工程師真題-案例分析試題六
課程推薦:精品VIP―網+面強勢結合 環球造價工程師案例強化套餐
相關推薦:2014年造價工程師在線模考 2014年造價工程師考試大綱
專題推薦:環球網校2014造價師招生簡章 環球網校造價工程師培訓權威
試題六:(40分)
本試題分三個專業(Ⅰ土建工程、Ⅱ工業管道安裝工程、Ⅲ電氣安裝工程),請任選其中一題作答。若選作多題,按所答的第一題(卷面順序)計分。
1.土建工程
某工程基礎平面圖如圖6.Ⅰ.1所示,現澆鋼筋混凝土帶形基礎、獨立基礎的尺寸如圖6.Ⅰ.2所示。混凝土墊層強度等級為C15,混凝土基礎強度等級為C20,按外購商品混凝土考慮。混凝土墊層支模板澆筑,工作面寬度300mm,槽坑底面用電動夯實機夯實,費用計入混凝土墊層和基礎中。
直接工程費單價表,見表6.Ⅰ.1.
表6.Ⅰ.1 直接工程費單價表

基礎定額表,見表6.Ⅰ.2.
表6.Ⅰ.2 基礎定.額表

依據《建設工程工程量清單計價規范》計算原則,以人工費、材料費和機械使用費之和為基數,取管理費率5%、利潤率4%;以分部分項工程量清單計價合計和模板及支架清單項目費之和為基數,取臨時設施費率1.5%、環境保護費率0.8%、安全和文明施工費率1.8%。
問題:
依據《建設工程工程量清單計價規范》(GB50500-2003)的規定(有特殊注明除外)完成下列計算:
1.計算現澆鋼筋混凝土帶形基礎、獨立基礎、基礎墊層的工程量。將計算過程及結果填入答題紙表6.Ⅰ.1“分部分項工程量計算表”。
棱臺體體積公式為V=1/3×h×(a2+b2+a×b),
2.編制現澆混凝土帶形基礎、獨立基礎的分部分項工程量清單,說明項目特征。
(帶形基礎的項目編碼為010401001,獨立基礎的項目編碼為010401002)填入答題紙表6.Ⅰ.2“分部分項工程量清單”。
3.依據提供的基礎定額數據,計算混凝土帶形基礎的分部分項工程量清單綜合單價,填入答題紙表6. Ⅰ.3“分部分項工程量清單綜合單價分析表”,并列出計算過程。
4.計算帶形基礎、獨立基礎(“坡面不計算模板工程量)和基礎墊層的模板工程量,將計算過程及結果填入答題紙表6.Ⅰ.4”模板工程量計算表”。
5.現澆混凝土基礎工程的分部分項工程量清單計價合價為57686.00元,計算措施項目清單費用,填入答題紙表6.Ⅰ.5“措施項目清單計價表”,并列出計算過程。
(計算結果均保留兩位小數。)


Ⅱ.管道安裝工程
1.某辦公樓衛生問給排水系統工程設計,如圖6.Ⅱ所示。
給水管道系統及衛生器具有關分部分項工程量清單項目的統一編碼,見下表:

2.某單位參與投標一碳鋼設備制作安裝項目,該設備凈重1000┧,其中:設備簡體部分凈重750┧,封頭、法蘭等凈重為250┧.該單位根據類似設備制作安裝資料確定本設備制作安裝有關數據如下:
(1)設備筒體制作安裝鋼材損耗率為8%,封頭、法蘭等鋼材損耗率為50%。鋼材平均價格為6000元/t.其他輔助材料費為2140元。
(2)基本用工:基本工作時間為100小時,輔助工作時間為24小時,準備與結束工作時間為20小時,其他必須耗用時間為工作延續時間的10%。其他用工(包括超運距和輔助用工)為5個工日。人工幅度差為12%。綜合工日單價為50元。
(3)施工機械使用費為2200元。
(4)企業管理費、利潤分別按人工費的60%、40%計算。
問題:
1.根據圖6. Ⅱ所示,按照《建設工程工程量清單計價規范》及其有關規定,完成以下內容:
(1)計算出所有給水管道的清單工程量,并寫出其計算過程;
(2)編列出給水管道系統及衛生器具的分部分項工程量清單項目,相關數據填入答題紙表6.Ⅱ.1“分部分項工程量清單表”內。
2.根據背景2的數據,計算碳鋼設備制作安裝工程的以下內容,并寫出其計算過程:
(1)計算該設備制作安裝需要的鋼材、鋼材綜合損耗率、材料費用。
(2)計算該設備制作安裝的時間定額(基本用工),該臺設備制作安裝企業所消耗工日數量、人工費用。
(3)計算出該設備制作安裝的工程量清單綜合單價。
(計算結果均保留兩位小數)


說明:
1、圖示為某辦公樓衛生間,共三層,層高為3m,圖中平面尺寸以mm計,標高均以m計。墻體厚度為240mm.
2、給水管道均為鍍鋅鋼管,螺紋連接。給水管道與墻體的中心距離為200mm.
3、衛生器具全部為明裝,安裝要求均符合《全國統一安裝工程預算定額》所指定標準圖的要求,給水管道工程量計算至與大便器、小便器、洗面盆支管連接處止。其安裝方式為:蹲式大便器為手壓閥沖洗;掛式小便器為延時自閉式沖洗閥:洗臉盆為普通冷水嘴;混凝土拖布池為500×600落地式安裝,普通水龍頭,排水地漏帶水封;立管檢查口設在一、三層排水立管上,距地面0.5m處。
4、給排水管道穿外墻均采用防水鋼套管,穿內墻及樓板均采用普通鋼套管。
5、給排水管道安裝完畢,按規范進行消毒、沖洗、水壓試驗和試漏。
圖6.Ⅱ.2 某辦公樓衛生間給水系統圖(一、二層同三層)
Ⅲ.電氣安裝工程
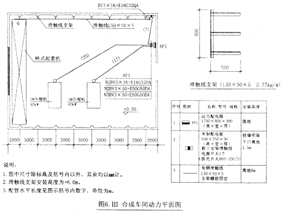
某化工廠合成車間動力安裝工程,如圖6.Ⅲ所示。
1.AP1為定型動力配電箱,電源由室外電纜引入,基礎型鋼采用10#槽鋼(單位重量為10┧/m)
2.所有埋地管標高均為-0.2m,其至AP1動力配電箱出口處的管口高出地坪0.1m,設備基礎頂標高為+0.5m,埋地管管口高出基礎項面0.1m,導線出管口后的預留長度為1m,并安裝1根同口徑0.8m長的金屬軟管。
3.木制配電板引至滑觸線的管、線與其電源管、線相同,其至滑觸線處管口標高為+6m,導線出管口后的預留長度為1m.
4.滑觸線支架采用螺栓固定,兩端設置信號燈。滑觸線伸出兩端支架的長度為1m.
5.表中數據為計算該動力工程的相關費用:

管理費和利潤分別按人工費的55%和45%計。
6.分部分項工程景清單的統一編碼為:

問題:
1.根據圖示內容和((建設工程工程量清單計價規范勢的規定,計算相關工程量和編制分部分項工程量清單。將配管、配線和滑觸線的計算式填入答題紙上的相應位置,并填寫答題紙表6.Ⅲ.1“分部分項工程量清單”。
2.假設管內穿線BV16mm2的清單工程量為60m,依據上述相關費用計算該項目的綜合單價,并填入答題紙表6.111.2“分部分項工程量清單綜合單價計算表”。
(計算過程和結果均保留兩位小數)

環球網校友情提示:如果您在此過程中遇到任何疑問,請登錄環球網校造價工程師考試頻道及論壇,隨時與廣大考生朋友們一起交流!
更多造價工程師信息:
編輯推薦:
最新資訊
- 更新版:2025年一級造價師案例考試真題及答案(1-3題)2025-10-27
- 速領!2025年一級造價師各科目考試真題及答案【完整版】2025-10-26
- 2025年一級造價師《案例分析》真題解析(試題三)2025-10-25
- 2025年一級造價師《安裝計量》真題答案61-70題2025-10-23
- 2025年一級造價師《安裝計量》真題答案41-50題2025-10-23
- 2025年一級造價師《安裝計量》真題及答案31-40題2025-10-23
- 2025年一級造價師《安裝計量》真題答案21-30題2025-10-23
- 2025年一級造價師《案例分析》考試真題及答案(試題一)2025-10-23
- 2025年一級造價師案例真題及答案試題五(土建專業)2025-10-22
- 2025年一級造價師《土建計量》考試真題答案51-60題2025-10-22