2010年造價工程師考試《基礎理論與相關法規》試題及答案
一、單項選擇題(共60分,每題1分。每題的備選項中,只有一個最符合題意) $lesson$
1、按照先進性的原則,協調和平衡工期、質量、安全、環保與成本之間的對立統一關系,反映了(B)造價管理的思想。
A、全壽命期
B、全要素
C、全過程
D、全方位
2、在調查―分析―決策的基礎上的偏離―糾偏―再偏離―再糾偏的工程造價控制屬于(C)
A、自我控制
B、預防控制
C、被動控制
D、全過程控制
3、下列關于造價工程師初始注冊的說法中,正確的是(A)
A、初始注冊申請者應提交工程造價崗位工作證明
B、初始注冊申請者應當向聘用單位所在地縣級主管部門提出申請
C、取的資格證書之日起1年后不得申請注冊
D、初始注冊的有效期為3年
4、根據《注冊造價工程師管理辦法》,屬于注冊造價工程師業務范圍的是(B)
A、建設項目投資顧三的批準
B、工程索賠費用的計算
C、工程款的支付
D、工程合同糾紛的裁決
5、根據《注冊造價工程師管理辦法》,聘用單位為申請人提供虛假注冊材料的,有關部門給予的處罰是(A)
A、警告,并可處以1萬元以上3萬元以下的罰款
B、警告,并可處以1萬元以下的罰款
C、責令限期整改,并可處以1萬元以上3萬元以下的罰款
D、責令限期整改,并可處以1萬元以下的罰款
6、根據《工程造價咨詢企業管理辦法》,屬于甲級工程造價咨詢企業資質標準的是(C)
A、專職專業人員中取得造價工程師注冊證書的人員不少于6人
B、企業注冊資本不少于50萬元
C、企業近3年工程造價咨詢營業收入累計不低于500萬元
D、人均辦公建筑面積不少于6m2
7、根據《工程造價咨詢企業管理辦法》,乙級工程造價咨詢企業可以從事工程造價(D)萬元以下各類建設項目工程造價咨詢業務。
A、2000
B、3000
C、4000
D、5000
8、在工程經濟分析中,通常采用(B)計算資金的時間價值。
A、連續復利
B、間斷復利
C、連續單利
D、瞬時單利
9、某工程項目建設期為3年,建設期內每年初貸款500萬元,年利率為10%,運營期前3年每年末等額償還貸款本息,到第3年末全部還清,則每年末應償還貸款本息(C)萬元。
A、606.83
B、665.50
C、732.05
D、955.60
10、在工程經濟分析中,以投資收益率指標作為注意決策依據,其可靠性較差的原因在于(A)。
A、正常生產年份的選擇比較困難
B、計算期的確定比較困難
C、未考慮投資回收后的經濟效果
D、需要事先確定基準收益率
11、在項目償債能力評價中,借款償還期指標不適用于評價(D)的項目。
A、投資規模大
B、投資規模小
C、預先給定償債備付率
D、預先給定借款償還期
12、基準收益率作為投資決策者對項目資金時間價值的估價,是投資資金應當獲得的( A )盈利率水平。
A、最低
B、最高
C、平均
D、機會
13、某投資方欲投資20000萬元,4個可選投資項目所需投資分別為5000萬元、6000萬元、8000萬元、12000萬元,投資方希望至少投資2個項目,則可供選擇的組合方案共有(C)個。
A、5
B、6
C、7
D、8
14、對于承租人而言,與購買設備相比,租賃設備的優越性在于(B)。
A、可降低資金成本
B、可加快技術進步
C、不形成長期負責
D、合同條件比較寬松
15、某企業從設備租賃公司租賃一臺價格為76萬元的設備,總租期和壽命期均為5年,年折現率為8%,按年金法計算,每年末應支付租金(B)萬元。
A、17.62
B、19.02
C、22.95
D、24.71
16、某項目設計生產能力為50萬件/年,預計單位產品售價為150元,單位產品可變成本為130遠,固定成本為400萬元,該產品營業稅金及附加的合并稅率為5%。則用產銷量表示的盈虧平衡點是(D)萬件。
A、14.55
B、20.60
C、29.63
D、32.00
17、在投資項目經濟評價的不確定性分析中,敏感性分析的主要目的是(A)。
A、分析不確定因素的變化對項目評價指標的影響
B、度量項目風險的大小
C、判斷項目承受風險的能力
D、分析不確定因素發生變化的概率
18、價值工程的核心是對產品進行(B)
A、成本分析
B、功能分析
C、價值分析
D、功能改進
19、在選擇價值工程對象時,首先求出分析對象的成本系數、功能系數,然后得出價值系數,當分析對象的功能與成本不相符時,價值低的選為價值工程的研究對象的方法稱為(C)。
A、重點選擇法
B、因素分析法
C、強制確定法
D、價值指數法
20、在價值工程活動中,通過分析求得某研究對象的價值指數VI,對該研究對象可采取的策略是(C)。
A、VI<1時,增加現實成本
B、VI>1時,提高功能水平
C、VI<1時,降低現實成本
D、VI>1時,降低現實成本
21、在價值工程活動的方案創造階段,為了激發出有價值的創新方案,會議主持人在開始時并不全部攤開要解決的問題,只是對與會者進行抽象籠統的介紹,要求大家提出各種設想,這種方案創造的方法稱為(B)。
A、德爾菲法
B、歌頓法
C、頭腦風暴法
D、強制確定法
22、工程壽命周期成本分析的局限性之一是假定工程對象有(C)。
A、固定的運行效率
B、確定的投資額
C、確定壽命周期
D、固定的功能水平
23、在項目資金籌措方式中,與發行債券相比,發行股票的特點是(D)。
A、不影響企業投資者的控制權
B、可以降低企業繳納的所得稅
C、可以提高企業自有資金利潤率
D、可以降低企業的負責比率
24、某企業發行普通股正常市價為20元,估計年增長率為10%,第一年預計發放股利1元,籌資費用率為股票市價的12%,則新發行普通股的成本率為(D)。
A、11.36%
B、13.33%
C、15.56%
D、15.68%
25、某公司的銷售額為8000萬元,固定成本為1000萬元,變動成本為5000萬元,流通在外的普通股為10000股,債務利息為600萬元,公司所得稅為25%,則每股收益為(B)元。
A、0.035
B、0.106
C、0.150
D、0.187
26、在工程項目成本管理中,由進度偏差引起的累計成本偏差可以用(A)的差值度量。
A、已完工程預算成本與擬完工程預算成本
B、已完工程預算成本與已完工程實際成本
C、已完工程實際成本與擬完工程預算成本
D、已完工程實際成本與已完工程預算成本
27、對于不同年份使用程度差別大的專業機械、設備,宜采用(A)計提折舊。
A、工作量法
B、平均年限法
C、年數總和法
D、雙倍余額遞減法
28、在工程項目成本管理中,按價值形式表示的工程項目竣工率的算式是(B)。

29、進行工程項目財務分析時,營業收入應包括(A)。
A、提供服務獲得的收入
B、與收益相關的政府補助
C、與資產相關的政府補助
D、可得到的增值稅返還
30、根據我國現有規定,企業將法定公積金轉為資本時,所留存的該項公積金應不低于(B)。
A、轉增前公司注冊資本的10%
B、轉增前公司注冊資本的25%
C、轉增后公司注冊資本的10%
D、轉增后公司注冊資本的25%
31、根據我國現行財務制度,可直接計入所有者權益的利得和損失的是(B)。
A、企業從凈利潤中提取的盈余公積
B、企業因接受非現金資產捐贈而增加的資本公積
C、企業未分配利潤
D、企業發行債券籌集的資金
32、下列關于項目清償能力指標的說法中,正確的是(C)。
A、資產負債率越高,表明股東因借入資金獲得的收益越大
B、償債備付率越高,表明可用于還本付息的資金保障程度越低
C、利息備付率越高,表明利息償付的保障程度越高
D、借款償還期越長,表明股東運用投入資本獲得的利潤率越高
33、營業稅的計稅依據為營業額,下列關于建筑和銷售不動產計稅營業額的說法中,正確的是(B)。
A、總承包企業將工程分包時,應以全部承包額為計稅營業額
B、從事包工不包料的工程作業時,工程所用原材料的價款應計入計稅營業
C、從事安裝工程作業時,設備價款應計入計稅營業額
D、施工企業轉讓其購置的不動產的,應以其轉讓價格為計稅營業額
34、某企業轉讓房地產,收入總額為1000萬元,扣除項目金額為400萬元,則應繳納土地增值稅(C)萬元。
A、180
B、200
C、240
D、300
35、下列關于土地增值稅的說法中,正確的是(B)。
A、國有土地使用權出讓,出讓方應交土地增值稅
B、國有土地使用權轉讓,轉讓方應交土地增值稅
C、房屋買賣,雙方不交土地增值稅
D、單位之間交換房地產,雙方不交土地增值稅
36、下列關于建筑工程一切險賠償處理的說法中,正確的是(C)。
A、被保險人的索賠期限,從損失發生之日起,不得超過1年
B、保險人的賠償必須采用現金支付方式
C、保險人對保險財產造成的損失賠付后,保險金額應相應減少
D、被保險人為減少損失而采取措施所發生的全部費用,保險人應予賠償
37、對于投保安裝工程一切險的工程,保險人應對(B)承擔責任。
A、因工藝不善引起生產設備損壞的損失
B、因冰雪造成工地臨時設施損壞的損失
C、因鑄造缺陷更換鑄件造成的損失
D、因超負荷燒壞電氣用具本身的損失
38、對于一般工業項目的辦公樓而言,下列工程中屬于分部工程的是(B)。
A、土方開挖與回填工程
B、通風與空調工程
C、玻璃幕墻工程
D、門窗制作與安裝工程
39、根據《國務院關于投資體制改革的決定》,對于采用投資補助、轉貸和貸款貼息方式的政府投資項目,政府需要審批(A)。
A、資金申請報告
B、可行性研究報告
C、初步設計文件
D、工程總概算
40、城鎮市政基礎設施工程的建設單位應在開工前向(D)申請領取施工許可證。
A、國務院建設主管部門
B、工程所在地省級以上人民政府建設主管部門
C、工程所在地市級以上人民政府建設主管部門
D、工程所在地縣以上人民政府建設主管部門
41、根據《關于實行建設項目法人責任制暫行規定》項目法人應在(C)正式成立。
A、項目建議書批準后
B、項目施工總設計文件審查通過后
C、項目可行性研究報告被批準后
D、項目初步設計文件被批準后
42、下列工程項目管理組織機構中,結構簡單、隸屬關系明確,便于統一指揮,決策迅速的是(A)。
A、直線制
B、矩陣制
C、職能制
D、直線職能制
43、下列進度計劃表中,用來明確各種設計文件交付日期、主要設備交付日期,施工單位進場日期,水、電及道路暢通日期的是(A)。
A、工程項目總進度計劃表
B、工程項目進度平衡表
C、工程項目施工總進度表
D、單位工程總進度計劃表
44、下列方法中,可同時用來控制工程造價和工程進度的是(D)。
A、S曲線法和直方圖法
B、直方圖法和魚刺圖法
C、魚刺圖法和香蕉曲線法
D、香蕉曲線法和S曲線法
45、下列流水施工參數中,屬于工藝參數的是(A)。
A、施工過程
B、施工段
C、流水步距
D、流水節拍
46、固定節拍流水施工的特點之一是(C)。
A、專業工作隊數大于施工過程數
B、施工段之間可能存在空閑時間
C、流水節拍等于流水步距
D、流水步距等于施工過程數
47、某分部工程劃分為3個施工過程,4個施工段,組織加快的成倍節拍流水施工,流水節拍分別為6、4、4天,則專業工作隊數為(D)個。
A、3
B、4
C、6
D、7
48、某分部工程劃分為3個施工過程,3個施工段組織流水施工,流水節拍分別為3、5、4天,4、4、3天和3、4、2天,則流水施工工期為(C)天。
A、16
B、17
C、18
D、19
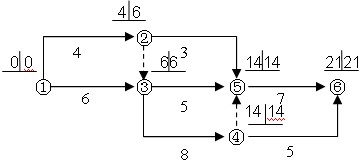
49、某工程雙代號網絡計劃如下圖所示,其中關鍵線路有(B)條。
A、1
B、2
C、3
D、4

50、某工程雙代號時標網絡計劃如下圖所示,其中工作A的總時差為(A)周。
A、1
B、2
C、3
D、4

51、工程網絡計劃工期優化的目的是(D)。
A、計劃工期滿足合同工期
B、計算工期滿足計劃工期
C、要求工期滿足合同工期
D、計算工期滿足要求工期
52、為了提高工程項目風險識別的效率和規范性,同時可便于風險識別資料的積累,有必要建立(A)。
A、初始風險清單
B、風險溢價表
C、初始風險流程
D、風險后果表
53、書面委托代理中,如果委托書授權不明,給第三人造成損失的,則(C)。
A、被代理人應當向第三人承擔完全民事責任
B、代理人應當向第三人承擔完全民事責任
C、被代理人應當向第三人承擔民事責任,代理人負連帶責任
D、代理人是否向第三人承擔民事責任,由被代理人決定
54、下列情形中,可構成締約過失責任的是(C)。
A、因自然災害,當事人無法執行簽訂合同的計劃,造成對方的損失
B、當事人雙方串通牟利簽訂合同,造成第三方損失
C、當事人因合同談判破裂,泄露對方商業機密,造成對方損失
D、合同簽訂和,當事人拒付合同規定的預付款,使合同無法履行,造成對方損失
55、根據《合同法》,具有合同撤銷權的當事人應在知道或者應當知道撤銷事由之日起(A)年內行使撤銷權。
A、1
B、2
C、3
D、4
56、某合同約定了違約金,當事人一方遲延履行的,根據《合同法》,違約方應支付違約金并(C)。
A、終止合同履行
B、賠償損失
C、繼續履行債務
D、中止合同履行
57、根據《招標投標法》,下列關于投標和開標的說法中,正確的是(D)。
A、投標人如何準備中標后將部分工程分包,應在中標后通知招標人
B、聯合體投標中標的,應由聯合體牽頭方代表聯合體與招標人簽訂合同
C、開標應當在公證機構的主持下,在招標人通知的地點公開進行
D、開標時,可以由投標人或者其推薦的代表檢查投標文件的密封情況
58、根據《政府采購法》,政府集中采購目錄由(C)公布。
A、國務院
B、國務院財政主管部門
C、省級以上人民政府
D、縣級以上人民政府
59、根據《土地管理法》,每公頃被征收耕地的安置補償費,最高不得超過被征收前3年平均年產值(D)倍。
A、4
B、6
C、10
D、15
60、根據《稅收征收管理法》,未按期繳納稅款的,稅務機關除責令限期繳納外,從滯納稅款之日起,按日加收滯納稅款(D)的滯納金。
A、千分之二
B、千分之五
C、萬分之二
D、萬分之五
二、多項選擇題(共20題,每題2分。每題的備選項中,有2個或2個以上符臺題意,至少有1個錯項。錯選,本題不得分;少選,所選的每個選項得0.5分)
61、建設項目靜態投資包括(AB)。
A、基本預備費
B、設備和工器具購置費
C、漲價預備費
D、建設期貸款利息
E、投資方向調節稅
62、根據《工程造價咨詢企業管理辦法》,工程造價咨詢企業出具的工程造價成果文件應加蓋有(ABC)的執業印章。
A、企業名稱
B、資質等級
C、資質證書編號
D、營業執照編號
E、備案編號
63、建設工程造價咨詢合同的內容包括(ABE)。
A、咨詢項目的委托內容和要求
B、咨詢項目的履行期限
C、建設工程利益相關者的風險責任劃分
D、工程款的支付方式
E、合同爭議與糾紛的解決辦法
64、下列關于投資方案經濟效果評價指標的說法中,正確的有(ACE)。
A、投資收益率指標計算的主觀隨意性強
B、投資回收期從項目建設開始年算起
C、投資回收期指標不能反映投資回收之后的情況
D、利息備付率和償債備付率均應分月計算
E、凈現值法與凈年值法在方案評價中能得出相同的結論
65、應用凈現值指標評價投資方案經濟效果的優越性有(BE)。
A、能夠直接反映項目單位投資的使用效率
B、能夠全面考慮項目在整個計算期內的經濟狀況
C、能夠直接說明項目運營期各年的經營成果
D、能夠全面反映項目投資過程的收益程度
E、能夠直接以金額表示項目的盈利水平
66、下列評價方法中,屬于互斥方型投資方案經濟效果動態評價方法的有(ADE)。
A、增量投資內部收益率法
B、年折算費用法
C、增量投資回收期法
D、方案重復法
E、無限計算期法
67、下列關于投資項目不確定性分析的說法中,正確的有(ACDE)。
A、盈虧平衡分析只適用于項目的財務評價
B、敏感性分析只適用于項目的財務評價
C、概率分析同時可用于項目的財務評價和國民經濟評價
D、盈虧平衡點反映了項目的抗風險能力
E、敏感性分析指標應與確定性經濟指標相一致
68、價值工程活動中的不必要功能包括(BCD)。
A、輔助功能
B、多余功能
C、重復功能
D、過剩功能
E、不足功能
69、下列方法中,可在價值工程活動中用于方案創造的有(AB)。
A、老師檢查法
B、老師意見法
C、流程圖法
D、列表比較法
E、方案清單法
70、下列項目中,適合以PFI典型模式實施的有(ABC)。
A、向公共部門出售服務的項目
B、私營企業與公共部門合資經營的項目
C、在經濟上自立的項目
D、由政府部門掌握項目經營權的項目
E、由私營企業承擔全部經營風險的項目
71、固定資產修理費屬于項目生產運營支出的費用,下列關于固定資產修理費的說法中,正確的有(ABC)。
A、修理費可以預提
B、修理費可以攤銷
C、修理費可直接在成本中列支
D、生產運營各年的修理費率必須一致
E、修理費應計入總成本費用中的其他費用
72、估算項目的經營成本時,應在總成本費用中扣除(BDE)。
A、工資及福利費
B、折舊費
C、燃料和動力費
D、攤銷費
E、財務費用
73、根據我國現行的財務制度,企業資產中的待攤費用包括(ACDE)。
A、一次性購買的印花稅票
B、在產品和產成品費
C、低值易耗品攤銷
D、一次性支付固定資產中小修理費
E、預付保險費
74、根據《國務院關于投資體制改革的決定》企業投資建設《政府核準的投資項目目錄》中的項目時,不再經過批準(ABE)的程序。
A、項目建議書
B、項目可行性研究報告
C、項目初步設計
D、項目施工圖設計
E、項目開工報告
75、建設工程設計與施工采用總分包模式的特點有(AC)。
A、對總承包商要求高,業主選擇范圍小
B、總包合同價格可較早確定,合同金額較低
C、業主的合同結構簡單,組織協調工作量小
D、工程設計與施工有機結合,有利于縮短建設工期
E、分包單位多,簡化了工程質量控制工作
76、應用控制圖法控制生產過程質量時,表明點子在控制界限內排列有缺陷的有(BE)。
A、點子連續在中心線一側出現5個以上
B、連續7個以上的點子上升或下降
C、連續7個點中至少有5個點在同一側
D、連續3個點落在二倍標準偏差與三倍標準偏差控制界限之間
E、點子出現周期性波動
77、某工程雙代號網絡計劃如下圖所示,圖中已標出的各個節點的最早時間和最遲時間,該計劃表明(ABC)。

A、工作1―2的自由時差為2
B、工作2―5的總時差為7
C、工作3―4為關鍵工作
D、工作3―5為關鍵工作
E、工作4―6的總時差為零
78、下列關于國際上案例法系和成文法系的說法中,正確的有(CE)。
A、英國和美國的法系屬于成文法系
B、成文法系合同附件多,合同約定更為具體
C、對于民事關系行為,案例法系更突出合同的最高制約性
D、成文法系的合同條文邏輯關系更加嚴謹
E、案例法系在裁決糾紛時更注重合同的文字表達
79、根據《民法通則》,履約擔保形式包括(AD)。
A、保證
B、占有
C、沒收
D、留置
E、拍賣
80、根據《建筑法》,建設工程安全生產管理應建立(AD)制度。
A、責任
B、追溯
C、保證
D、群防群治
E、監督
更多信息請訪問>> 造價工程師考試頻道 造價工程師考試論壇 造價工程師輔導課程免費試聽
?2011年造價工程師輔導"VIP班" 考試不過免費重學! 
?2011年注冊造價工程師考前網上輔導招生簡章
?2010年全國注冊造價師考試成績查詢及反饋專題
?04、05、06、07、08、09年造價工程師考試試卷及答案匯總
最新資訊
- 更新版:2025年一級造價師案例考試真題及答案(1-3題)2025-10-27
- 速領!2025年一級造價師各科目考試真題及答案【完整版】2025-10-26
- 2025年一級造價師《案例分析》真題解析(試題三)2025-10-25
- 2025年一級造價師《安裝計量》真題答案61-70題2025-10-23
- 2025年一級造價師《安裝計量》真題答案41-50題2025-10-23
- 2025年一級造價師《安裝計量》真題及答案31-40題2025-10-23
- 2025年一級造價師《安裝計量》真題答案21-30題2025-10-23
- 2025年一級造價師《案例分析》考試真題及答案(試題一)2025-10-23
- 2025年一級造價師案例真題及答案試題五(土建專業)2025-10-22
- 2025年一級造價師《土建計量》考試真題答案51-60題2025-10-22