2015年一建《公路工程》模擬試題及答案4
【摘要】環球網校一級建造師頻道,為方便各位一級建造師考生更好的備考一級建造師考試,特地整理一級建造師考試模擬試題,并附解析與參考答案,本文為大家準備的是2015年一建《公路工程》模擬試題及答案4,希望各位一級建造師考生通過模擬試題的方式掌握考點。
最新推薦: 一級建造師?精彩授課視頻免費學習
課程推薦: 2015年招生方案
一、單項選擇題(共20題,每題1分。每題的備選答案中,只有一個最正確或最符合題意;選對每題得1分;沒選或選錯均不得分)
1屬于橋梁附屬設施的是( )。
A.錐形護坡
B.橋墩
C.橋跨結構
D.基礎
參考答案:A
參考解析本題考點是橋梁的組成。橋梁由上部結構、下部結構、支座系統和附屬設施四個基本部分組成。橋梁附屬設施包括橋面系、伸縮縫、橋頭搭板和錐形護坡等。橋墩、基礎屬于下部結構,選項B、D錯誤;橋跨結構防是上部結構,選項C錯誤。本題的正確項只能是“A.錐形護坡”。
2關于人工挖孔樁安全控制要點的說法,正確的是( )。
A.施工人員下孔前,先向孔內送風,并檢測確認無誤,才允許下孔作業
B.井口周邊宜設置不少于周邊1/3范圍的圍欄,護欄外掛密目網
C.施工所用的電氣設備必須加裝漏電保護器,孔下施工照明必須使用36V以下安全電壓
D.每個樁孔口必須備有孔口蓋,工作時必須將孔蓋蓋好
參考答案:A
參考解析本題考點是人工挖孔樁安全控制要點。
井口周邊必須設置不少于周邊3/4范圍的圍欄,護欄外掛密目網。選項B錯誤。施工所用的電氣設備必須加裝漏電保護器,孔下施工照明必須使用 24V以下安全電壓。選項C錯誤。每個樁孔口必須備有孔口蓋,完工或下班時必須將孔蓋蓋好。選項D錯誤。施工人員下孔前,先向孔內送風并檢測確認無誤,才允許下孔作業,目的是防治中毒。本題的正確項只能是“A.施工人員下孔前,先向孔內送風,并檢測確認無誤,才允許下孔作業”。
3護欄按其剛度的不同,可分為( )。
A.柔性護欄、剛性護欄兩種
B.普通護欄、加強護欄兩種
C.柔性護欄、半剛性護欄和剛性護欄三種
D.柔性護欄、組合性護欄和剛性護欄三種
參考答案:C
參考解析護欄的主要作用是防止失控車輛越過中央分隔帶或在路側比較危險的路段沖出路基,不致發生二次事故。同時,還具有吸收能量,減輕事故車輛及人員的損傷程度,以及誘導視線的作用。護欄的形式按剛度的不同,可分為柔性護欄;半剛性護,欄和剛性護欄,按結構,可分為纜索護欄、波形梁護欄、混凝土護欄、梁柱式剛性護欄、組合式護欄和活動護欄等。其中,波形梁護欄板又分為雙波和三波兩種。
4在路拌法水泥穩定土基層施工中,有如下工序:①準備下承層;②灑水悶料;③拌和;④整形;以下為正確排序的是( )。
A.①②③④
B.②①③④
C.①②④③
D.①③②④
參考答案:A參考解析水泥穩定土基層路拌法施工工藝流程按下圖所示工藝順序進行。

5挖掘淺且短的路塹宜采用的作業方法是( )。
A.單層橫向全寬挖掘法
B.多層橫向全寬挖掘法
C.分層縱挖法
D.通道縱挖法
參考答案:A
參考解析本題考點是土質路塹施工中各種開挖方法的適用條件。單層橫向全寬挖掘法:從開挖路塹的-端或兩端按斷面全寬-次性挖到設計標高,逐漸向縱深挖掘,挖出的土方-般都是向兩側運送。該方法適用于挖掘淺且短的路塹。
多層橫向全寬挖掘法適用于挖掘深且短的路塹,分層縱挖法適用于較長的路塹開挖、通道縱挖法適用于較長、較深、兩端地面縱坡較小的路塹開挖,選項B、C、D錯誤。本題的正確項只能是“A.單層橫向全寬挖掘法”。
6按照測量管理制度的要求,以下未體現測量工作雙檢制的是( )。
A.測量工作必須兩個人共同進行
B.測量外業工作必須有多余觀測
C.測量成果采用兩組獨立平行計算相互校核
D.外業工作采用兩種不同方法進行復核測量
參考答案:A
參考解析在測量工作的各個程序中實行雙檢制。具體要求是:
(1)測量隊應核對有關設計文件和監理簽認的控制網點測量資料,應由兩人獨立進行,核對結果應作記錄并進行簽認,成果經項目技術部門主管復核簽認,總工程師審核簽認后方可使用。
(2)測量外業工作必須有多余觀測,并構成閉合檢測條件。控制測量、定位測量和重要的放樣測量必須堅持“兩人兩種方法”制度,堅持采用兩種不同方法(或不同儀器)或換人進行復核測量。利用已知點(包括平面控制點、方向點、高程點)進行引測、加點和施工放樣前,必須堅持“先檢測后利用”的原則。
(3)測量后,測量成果必須采用兩組獨立平行計算進行相互校核,測量隊長、測量組長對各自的測量成果進行復核簽認。
7開工預付款支付的條件有:條件-是承包人和發包人已簽訂了施工合同,條件二是( )等。
A.承包人的施工隊伍已進場
B.材料、設備符合規范要求并經監理工程師認可
C.承包人已出具材料、設備費用憑證或支付單據
D.承包人已提交了開工預付款保函
參考答案:D
參考解析本題考點是預付款。開工預付款支付的條件有:(1)承包人和發包人已簽訂了施工合同;(2)承包人已提交了開工預付款保函。施工隊伍進場與開工預付款支付無關,選項A錯誤。材料、設備符合規范要求并經監理工程師認可、承包人已出具材料、設備費用憑證或支付單據是材料、設備預付款的條件。本題的正確項只能是“D.承包人已提交了開工預付款保函”。
8某公路施工企業在2013年的企業信用評價總得分為94分,該企業的信用等級為( )級。
A.AA
B.A
C.B
D.C
參考答案:B
參考解析本題考點是公路施工企業信用評價等級。根據《公路施工企業信用評價規則》,公路施工企業信用評價等級分為AA、A、B、C、D五個等級,各信用等級對應的
企業評分X分別為:
AA級:95分≤X≤100分,信用好;
A級:85分≤X<95分,信用較好;
B級:75分≤X<85分,信用-般;
C級:60分≤X<75分,信用較差;
D級:X<60分,信用差。
本題的正確項只能是“
B.A級”。
9以時間為縱軸的公路工程進度計劃的形式是( )。
A.橫道圖
B.“S”曲線
C.斜率圖
D.斜條圖
參考答案:D
參考解析本題考點是公路工程進度計劃的主要形式。
公路工程的進度橫道圖是以時間為橫坐標,以各分部(項)工程或工作內容為縱坐標,按-定的先后施工順序,用帶時間比例的水平橫線表示對應工作內容持續時間的進度計劃圖表。
“S”曲線是以時間為橫軸,以累計完成的工程費用的百分數為縱軸的圖表化曲線。
斜條圖是以公路里程或工程位置為橫軸,以時間為縱軸,而各分部(項)工程的施工進度則相應地以不同的斜線表示。
斜率圖是以時間(月份)為橫軸,以累計完成的工程量的百分數為縱軸,將分項工程的施工進度相應地用不同斜率表示的圖表化曲(折)線。
橫道圖、“S”曲線、斜率圖均是以時間為橫坐標。選項A、B、C錯誤。本題的正確項只能是“D.斜條圖”。
10按照機械臺班費用組成,屬于固定費用的是( )。
A.燃油費
B.機械操作人員人工費
C.大修費
D.動力電費
參考答案:C
參考解析機械臺班費用通常包括固定費用和可變費用。其中,固定費用是指不管機械設備是否使用都會產生的費用;而可變費用是指設備用起來才會產生的費用。選項A、B、D是設備用起來才會的有的費用,而大修費是指設備到了-定的年限或使用時間后必須進行的常規定維護與修理,屬于固定費用。因此,正確選項是C。
11橋梁上部結構采用支架現澆箱梁施工時,封錨混凝土的強度應符合設計要求。設計無要求時,-般不宜低于構件混凝土強度等級值的( )。
A.80%
B.85%
C.90%
D.96%
參考答案:A
參考解析本題考點是封錨。根據《公路橋涵施工技術規范》,封錨混凝土的強度應符合設計要求。設計無要求時,-般不宜低于構件混凝土強度等級值的80%。選項B、C、D錯誤。本題的正確項只能是“A.80%”。
12進行中央分隔帶的開挖-般是緊隨( )工作。
A.路面基層施工完畢后
B.路面底基層施工完畢后
C.路基施工完畢后
D.路面面層施工完畢后
參考答案:A
參考解析此題考查中央分隔帶施工。當路面基層施工完畢后,即可進行中央分隔帶的開挖,先挖集水槽后挖縱向盲溝,-般采用人工開挖的方式。開挖的土料不得堆置在已鋪好的基層上,以防止污染并應及時運走。溝槽的斷面尺寸及結構層端部邊坡應符合設計要求,溝底縱坡應符合設計要求,溝底須平整、密實。溝底不得有雜物。所以,本題的正確選項是“A.路面基層施工完畢后”。
13關于路基干濕類型的說法,錯誤的是( )。
A.路基的干濕類型是表示路基在最不利季節的干濕狀態
B.路基的干濕類型劃分為干燥、中濕、潮濕和過濕四類
C.二級公路要求其路基處于干燥狀態
D.原有公路路基的干濕類型與新建公路路基的干濕類型可用不同的指標來判別
參考答案:C
參考解析路基的干濕類型表示路基在最不利季節的干濕狀態,劃分為干燥、中濕、潮濕和過濕四類。原有公路路基土的干濕類型,可以根據路基的分界相對含水量或分界稠度劃分;新建公路路基的干濕類型可用路基臨界高度來判別。高速公路應使路基處于干燥或中濕狀態。
答案A、B均是正確敘述,而根據“新建公路路基的干濕類型可用路基臨界高度來判別。高速公路應使路基處于干燥或中濕狀態。”表明D也是正確的,所以C選項說法錯誤。
14橋梁鋼筋的縱向焊接有條件應盡量采用( )。
A.電弧焊
B.電渣壓力焊
C.氣壓焊
D.閃光對焊
參考答案:D
參考解析此題考查鋼筋和混凝土施工。普通鋼筋的加工制作應注意的-些事項有:
(1)鋼筋的表面應潔凈,使用前應將表面油漬、漆皮、鱗銹等清除干凈,鋼筋外表有嚴重銹蝕、麻坑、裂紋夾砂和夾層等缺陷時應予剔除,不得使用。鋼筋應平直,無局部彎折,成盤和彎曲的鋼筋均應調直才能使用。
(2)鋼筋的彎制和末端的彎鉤應符合設計要求。如設計無規定時,應符合《公路橋涵施工技術規范》JTG/T F50-2011的規定。
(3)用HPB300級鋼筋制作的箍筋,其末端應做彎鉤,彎鉤的彎曲直徑應大于受力主鋼筋的直徑,且不小于箍筋直徑的2.5倍。彎鉤平直部分的長度,-般結構不宜小于箍筋直徑的5倍,有抗震要求的結構,不應小于箍筋直徑的10倍。
(4)軸心受拉和小偏心受拉構件中的鋼筋接頭不宜綁接,普通混凝土中直徑大于25mm的鋼筋宜采用焊接。
(5)鋼筋的縱向焊接應采用閃光對焊。當缺乏閃光對焊條件時,可采用電弧焊、電渣壓力焊、氣壓焊。
(6)鋼筋焊接前,必須根據施工條件進行試焊,合格后方可正式施焊。焊工必須持考試合格證上崗。
(7)鋼筋接頭采用搭接電弧焊時,兩鋼筋搭接端部應預先折向-側,使兩接合鋼筋軸線-致。接頭雙面焊縫的長度不應小于5d,單面焊縫的長度不應小于10d。
(8)鋼筋接頭采用幫條電弧焊時,幫條應采用與主筋同級別的鋼筋,其總截面面積不應小于被焊鋼筋的截面積。幫條長度,如用雙面焊縫不應小于5d,如用單面焊縫不應小于10d。
(9)焊條、焊劑應有合格證,各種焊接材料的性能應符合現行《鋼筋焊接及驗收規程》JGJ 18的規定。
(10)受力鋼筋焊接或綁扎接頭應設置在內力較小處并錯開布置,對于綁扎接頭,兩接頭間距離不小于1.3倍搭接長度。對于焊接接頭,在接頭長度區段內,同-根鋼筋不得有兩個接頭。
(11)電弧焊接和綁扎接頭與鋼筋彎曲處的距離不應小于10倍鋼筋直徑,也不宜位于構件的最大彎矩處。
根據上述第5條,本題閃光對焊最適合。
所以,本題的正確選項是“D.閃光對焊”。
15當路塹表層凍土厚度大于1m時,宜采用的開挖方法是( )。
A.爆破凍土法
B.機械破凍法
C.熱水開凍法
D.蒸汽放熱解凍法
參考答案:A
參考解析此題考查路基季節性施工。在反復凍融地區,晝夜平均溫度在-3℃以下,連續10天以上時,進行路基施工稱為路基冬期施工。當晝夜平均溫度雖然上升到-3℃以上,但凍土未完全融化時,亦應按冬期施工。
冬期施工開挖路塹表層凍土的方法有:
1.爆破凍土法:當冰凍深度達1m以上時,可用此法炸開凍土層。炮眼深度取凍土深度的0.75~0.9倍,炮眼間距取冰凍深度的1~1.3倍并按梅花形交錯布置。
2.機械破凍法:1m以下的凍土層可選用專用破凍機械,如凍土犁、凍土鋸和凍土鏟等,予以破碎清除。
3.人工破凍法:當冰凍層較薄、破凍面積不大,可用日光暴曬法、火燒法、熱水開凍法、水針開凍法、蒸汽放熱解凍法和電熱法等方法脹開或融化冰凍層,并輔以人工撬挖。本題題干中提到路塹表層凍土厚度大于1m,顯然其他適用在薄冰上的施工方法均不正確。
所以,本題的正確選項是“A.爆破凍土法”。
16根據《公路水運工程安全生產監督管理辦法》,應當編制專項施工方案的工程是( )。
A.長度4500m的隧道工程
B.100km的高速公路路面工程
C.路基石方工程
D.圍堰工程
參考答案:D
參考解析本題考點是應當編制專項施工方案的工程項目。應當編制專項施工方案的工程有:(1)不良地質條件下有潛在危險性的土方、石方開挖; (2)滑坡和高邊坡處理;(3)樁基礎、擋墻基礎、深水基礎及圍堰工程;(4)橋梁工程中的梁、拱、柱等構件施工等;(5)隧道工程中的不良地質隧道、高瓦斯隧道、水底海底隧道等;(6)水上工程中的打樁船作業、施工船作業、外海孤島作業、邊通航邊施工作業等;(7)水下工程的水下焊接、混凝土澆筑、爆破工程等;(8)爆破工程;(9)大型臨時工程中的大型支架、模板、便橋的架設與拆除;橋梁、碼頭的加固與拆除;(10)其他危險性較大的工程。本題的正確項只能是“D.圍堰工程”。
17采用灌砂法檢測壓實度,不宜用于( )。
A.填石路堤
B.二灰基層
C.砂石路面
D.瀝青表面處治路面
參考答案:A
參考解析本題考點是壓實度檢測方法的適用條件。灌砂法適用路基土壓實度檢測,不宜用于填石路堤等有大孔洞或大孔隙材料的測定。在路面工程中也適用于基層、砂石路面、瀝青表面處治及瀝青貫入式路面的壓實度檢測。
填石路堤的空隙大,若采用灌砂法,砂會漏-部分下去,導致檢測結果不準確,不宜采用。二灰基層、砂石路面、瀝青貫入式路面均比較密實,不存在這個問題。本題的正確項只能是“A.填石路堤”。
18土方路基工程施工中用適宜材料,必須采用設計和規范規定的適用材料,保證原材料合格,正確確定土的( )和最佳含水量。
A.天然密度
B.平均密度
C.毛體積密度
D.最大干密度
參考答案:D
參考解析土方路基工程施工中常見質量控制關鍵點包括正確確定土的最大干密度和最佳含水量。土的最佳含水量是土基施工的-個重要控制參數,是土基達到最大干密度所對應的含水量。壓實度是路基質量控制的重要指標之-,是現場干密度和室內最大干密度的比值。因此,選項應該是D。
19某跨徑60m鋼筋混凝土拱橋的拱架拆除,應在混凝土強度符合設計強度標準值的75%拱涵采用回填石時,可采用分層填筑法和( )。
A.50%
B.65%
C.75%
D.90%
參考答案:C
參考解析本題考點是模板、支架和拱架的拆除期限的原則規定。根據《公路橋涵施工技術規范》規定:鋼筋混凝土結構的承重模板、支架和拱架,應在混凝土強度能承受其自重力及其他可能的疊加荷載時,方可拆除;當構件跨度不大于4m時,在混凝土強度符合設計強度標準值的50%的要求后,方可拆除;當構件跨度大于4m時,在混凝土強度符合設計強度標準值的75%的要求后,方可拆除。本橋跨徑60m大于4m,選項A、B、D錯誤。本題的正確項只能是 “C.75%”。
20橋梁施工用的普通鋼筋,鋼筋的縱向焊接應采用( )。
A.閃光對焊
B.電弧焊
C.電渣壓力焊
D.氣壓焊
參考答案:A
參考解析本題考點是普通鋼筋的加工制作。根據《公路橋涵施工技術規范》,鋼筋的縱向焊接應采用閃光對焊。當缺乏閃光對焊條件時,可采用電弧焊、電渣壓力焊、氣壓焊。選項B、C、D錯誤。涵洞頂上面直接鋪筑水泥混凝土路面,說明洞頂不填土,本題的正確項只能是“A.閃光對焊”。
二、多項選擇題(共10題,每題2分。每題中的備選項中,有2個或2個以上符合題意,至少有1個錯項。錯選,本題不得分;少選,所選的每個選項得0.5分)
21具有排水功能的軟基處治措施有( )。
A.砂墊層
B.砂井
C.袋裝砂井
D.塑料插板
E.拋石擠淤
參考答案:A,B,C,D
參考解析軟土地基處理施工具體方法有幾十種,但并不是都具有排水功能。在軟土層頂面鋪砂墊層,主要起淺層水平排水作用;而利用砂井、袋裝砂井、塑料排水板增加土層豎向排水途徑,縮短排水距離、加速地基固結。
拋石擠淤法是在路基底部拋投-定數量片石,將淤泥擠出基底范圍,以提高地基的強度,并不具有排水功能。所以,正確選項是A、B、C、D。
22全站儀的測距模式包括( )。
A.定位模式
B.精測模式
C.跟蹤模式
D.智能模式
E.粗測模式
參考答案:B,C,E
參考解析此題考查測量儀器的使用方法。全站儀的測距模式有精測模式、跟蹤模式和粗測模式三種。精測模式是最常用的測距模式,測量時間約為 2.5s,最小顯示單位為1mm;跟蹤模式,常用于跟蹤移動目標或放樣時連續測距,最小顯示-般為1cm,每次測距時間約為0.3 s;粗測模式,測量時間約為0.7s,最小顯示單位1 cm或1mm。所以,本題的正確選項是“B、C、E”。
23高速公路通信系統的組成有( )。
A.光纖數字傳輸系統
B.數字程控交換系統
C.緊急電話系統
D.通信管道工程
E.調度指令電話系統
參考答案:A,B,C,D
參考解析本題考點是高速公路通信系統的組成。高速公路通信系統主要由光纖數字傳輸系統、數字程控交換系統、緊急電話系統、通信電源系統、光電纜工程及通信管道工程等組成。
調度指令電話系統屬于監控系統,選項E錯誤。
故本題正確選項應為“A、B、C、D”。
24計日工是指在工程實施過程中,業主有-些臨時性或新增加的項目需要按計日(或計量)使用人工和( )所需的費用。
A.材料
B.延長工期
C.風險
D.資金周轉
E.施工機械
參考答案:A,E
參考解析計日工也稱散工或點工,指在工程實施過程中,業主可能有-些臨時性或新增加的項目,而且這種臨時的新增項目的工程量在招投標階段很難估計,希望通過招投標階段事先定價,避免開工后可能發生時出現的爭端,故需要以計日工明細表的方法,在工程量清單中予以明確。
計日工明細表由總則、計日工勞務、計日工材料、計日工施工機械等方面的內容組成。計日工清單用來處理-些附加或小型的變更工程計價。
因此,計日工中的費用通常不含延長工期、施工風險以及資金周轉帶來的費用。
25用于軟土隧道施工的方法有( )。
A.明挖法
B.蓋挖法
C.盾構法
D.地下連續墻
E.新奧法
參考答案:A,B,C,D
參考解析本題考點是軟土隧道施工方法。軟土隧道施工的方法有明挖法、地下連續墻、蓋挖法、盾構法、淺埋暗挖法。
新奧法用于山嶺隧道施工,在軟土隧道中無法錨固,選項E錯誤。故本題正確選項應為“A、B、C、D”。
26根據《公路工程基本建設項目概算預算編制辦法》,以各類工程的直接工程費之和作為基數計算費用的有( )。
A.雨期施工增加費
B.夜間施工增加費
C.高原地區施工增加費
D.施工輔助費
E.企業管理費
參考答案:A,D
參考解析根據《公路工程基本建設項目概算預算編制辦法》,以各類工程的直接工程費之和作為基數計算的費用包括:冬期施工增加費、雨期施工增加費、沿海地區工程施工費、安全及文明施工措施費、臨時設施費、施工輔助費、工地轉移費等。
B、C、E三項均不是以各類工程的直接工程費之和作為基數計算的費用。夜間施工
增加費=∑夜間施工工程項目的直接工程費×夜間施工增加費費率(%);高原地區施工
增加費=∑(各類工程人工費+施工機械使用費)×高原地區施工增加費費率(%);企業管理費由基本費用、主副食運輸補貼、職工探親路費、職工取暖補貼和財務費用五項組成。選項“B、C、E”錯誤。
按照編制辦法的要求規定,故本題正確選項應為“A、D”。
27防撞設施主要包括( )。
A.橋梁護網
B.隔離柵
C.護欄
D.突起路標
E.防撞筒
參考答案:C,E
參考解析本題考點是防撞設施。防撞設施主要包括護欄、防撞筒等。
橋梁護網主要設置于天橋或主線下穿的分離立交以及主線上跨鐵路或等級較高的其他公路的分離立交上,用于防止雜物落在橋梁下方的道路行車道上,保證行車安全的防護設施。選項A錯誤。隔離柵的主要作用是將公路用地隔離出來,防止非法侵占公路用地的設施,同時將可能影響交通安全的人和畜等與公路分離,保證公路的正常運營。選項B錯誤。突起路標屬于交通標線,選項D錯誤。故本題正確選項應為“C、E”。
28熱拌瀝青混凝土路面施工時,在監理工程師批準的現場備齊全部機械設備進行試驗段鋪筑,以確定( )。
A.松鋪系數
B.壓實遍數
C.施工工藝
D.機械配備
E.地基回彈模量
參考答案:A,B,C,D
參考解析試驗段開工前28d安裝好試驗儀器和設備,配備好的試驗人員報請監理工程師審核。各層開工前14d在監理工程師批準的現場備齊全部機械設備進行試驗段鋪筑,以確定松鋪系數、施工工藝、機械配備、人員組織、壓實遍數,并檢查壓實度、瀝青含量、礦料級配、瀝青混合料馬歇爾各項技術指標等。而選項E主要是用于道路設計的指標,因此正確選項是A、B、C、D。
29施工現場的室內配電線路包括( )。
A.絕緣導線和電纜的明敷設
B.絕緣導線和電纜的暗敷設
C.絕緣導線架空敷設
D.絕緣電纜埋地敷設
E.電纜線架空明敷設
參考答案:A,B
參考解析此題考查施工現場配電線路的安全技術要求。施工現場的配電線路包括室外線路和室內線路。室內線路通常有絕緣導線和電纜的明敷設和暗敷設,室外線路主要有絕緣導線架空敷設和絕緣電纜埋地敷設兩種,也有電纜線架空明敷設的。所以,本題的正確選項是“A、B”。
30有利于石灰穩定土基層裂縫的防治措施有( )。
A.超出規范標準提高水泥用量
B.施工用土中適量摻加粉煤灰
C.石灰土成型后應及時灑水或覆蓋塑料薄膜養護
D.采用塑性指數適中的土
E.選擇在晚秋、初冬后施工
參考答案:B,C,D
參考解析此題考查考查石灰穩定土基層裂縫病害及防治措施。石灰穩定土基層裂縫病害的預防措施有:
1.石灰土成型后應及時灑水或覆蓋塑料薄膜養護,或鋪上-層素土覆蓋;
2.選用塑性指數合適的土,或適量摻入砂性土、粉煤灰和其他粒料,改善施工用土的土質;
3.加強劑量控制,使石灰劑量準確,保證拌和遍數和石灰土的均勻性;
4.控制壓實含水量,在較大含水量下壓實的石灰土,具有較大的干裂,宜在最佳含水量±1%時壓實;
5.盡量避免在不利季節施工,最好在第-次冰凍來臨-個半月前結束施工。所以,本題的正確選項是“B、C、D”。
三、案例分析題(共5題,共120分)
31背景資料:
某二級公路K合同段(K22+300~K44+000),主要為路基土石方工程和支擋工程,本地區巖層構成為泥巖、砂巖互層,抗壓強度20MPa左右,地表土覆蓋層較薄。在招標文件中,60%挖方為石方,填方路段填料由挖方路段調運,施工過程部分事件摘要如下:
事件-:施工單位在路段開工后發現,路基挖方土石比例與招標文件中的比例相差較大,施工單位向監理工程師以書面形式提出工程設計變更的建議,增加費用23.4萬元,結合實際情況,設計單位簽發了“設計變更通知單”,項目法人對設計變更進行了審查,同意實施。
事件二:在填筑路堤時,施工單位采用土石混合分層鋪筑,并用平地機整平每-層,最大層厚40cm,填至接近路床底面標高時改用土方填筑。局部路段因地形復雜而采用豎向填筑法施工。
事件三:路基工程土石方開挖與填筑施工中,配置的勞務用工有測量工、試驗工、機修工、機械操作人員、運輸車輛司機。
事件四:針對K41+200~K41+320的沿河路基,設計為漿砌塊石路肩擋土墻(見圖1),擋土墻最大高度為11.2m。施工單位在施工中,在墻身的強度達到設計強度的60%時,對墻背土進行回填,采用沖擊壓實法進行碾壓。

問題:
1.事件-中的“設計變更”,是否符合公路工程設計變更管理的相關規定?說明理由。
2.指出事件二中施工方法存在的問題,并提出正確的施工方法。
3.指出事件三中路基工程土石方開挖與填筑施工過程還必須配置的勞動力有哪些?
4.根據國家標準《高處作業分級》GB 3608,該擋土墻的墻身砌筑屬于幾級高處作業?
5.指出墻身中的構造物A的名稱和墻后砂礫石的作用。
6.改正事件四中施工單位的錯誤做法。
參考解析1.【參考答案】
符合。本變更屬于-般設計變更。重大設計變更由交通運輸部負責審批,較大設計變更由省級交通主管部門負責審批,項目法人負責對-般設計變更進行審查,并應當加強對公路工程設計變更實施的管理。
【考點解析】
本考點出自1B432063公路工程設計變更管理的相關規定-目,此題考查-般設計變更管理的相關規定。
公路工程設計變更分為重大設計變更、較大設計變更和-般設計變更。
有下列情形之-的屬于重大設計變更:連續長度10km以上的路線方案調整的;特大橋的數量或結構型式發生變化的;特長隧道的數量或通風方案發生變化的;互通式立交的數量發生變化的;收費方式及站點位置、規模發生變化的;超過初步設計批準概算的。
有下列情形之-的屬于較大設計變更:連續長度2km以上的路線方案調整的;連接線的標準和規模發生變化的;特殊不良地質路段處置方案發生變化的;路面結構類型、寬度和厚度發生變化的;大中橋的數量或結構形式發生變化的;隧道的數量或方案發生變化的;互通式立交的位置或方案發生變化的;分離式立交的數量發生變化的;監控、通信系統總體方案發生變化的;管理、養護和服務設施的數量和規模發生變化的;其他單項工程費用變化超過500萬元的;超過施工圖設計批準預算的。-般設計變更是指除重大設計變更和較大設計變更以外的其他設計變更。
公路工程重大、較大設計變更實行審批制。公路工程重大、較大設計變更,屬于對設計文件內容作重大修改,應當按照本辦法規定的程序進行審批。未經審查批準的設計變更不得實施。任何單位或者個人不得違反本辦法規定,擅自變更已經批準的公路工程初步設計、技術設計和施工圖設計文件。不得肢解設計變更規避審批。經批準的設計變更-般不得再次變更。重大設計變更由交通運輸部負責審批,較大設計變更由省級交通主管部門負責審批。
項目法人負責對-般設計變更進行審查,并應當加強對公路工程設計變更實施的管理。公路工程勘察設計、施工及監理等單位可以向項目法人提出公路工程設計變更的建議。設計變更的建議應當以書面形式提出,并應當注明變更理由。項目法人也可以直接提出公路工程設計變更的建議。
2.【參考答案】
“局部路段因地形復雜而采用豎向填筑法施工”錯誤。根據《路基施工技術規范》JTG F10規定:土石路堤不得傾填,土石路堤只能采用分層填筑,分層壓實。
【考點解析】
本考點出自1B411015填方路基施工-目,此題考查土石路堤施工方法。
土石路堤不得采用傾填方法,只能采用分層填筑,分層壓實。若采用傾填方法,易造成填料離析。
3.【參考答案】
還必須配置普工、工長和爆破工。
【考點解析】
本考點出自1B420151勞務用工配置-目,此題考查公路工程常見的施工過程必須配置的勞動力。
(1)土石方開挖:機械操作人員、運輸車輛司機、普工、工長和爆破工;
(2)路基填筑:機械操作人員、運輸車輛司機、普工和工長。
4.【參考答案】
該擋土墻的砌筑屬于2級高處作業。
【考點解析】
本考點出自1B420071公路工程高處作業安全要求-目,此題考查高處作業的-般知識。根據高處作業分級規定:1級:2~5m;2級;5~15m;3級:15~30m;4級:30m以上。
5.【參考答案】
墻身中的構造物A是泄水孔。砂礫石的作用是反濾作用,防止堵孔。
【考點解析】
本考點出自1B411032支擋工程的類型和功能-目,此題考查重力式擋土墻工程施工技術和擋土墻基本組成。
擋土墻泄水孔應在砌筑墻身過程中設置,確保排水通暢,并應保證墻背反濾、防滲設施的施工質量。
6.【參考答案】
當墻身的強度達到設計強度的75%時,方可進行回填等工作。在距墻背0.5~1.0m以內,不宜用重型壓路機碾壓。
【考點解析】
本考點出自1B411032支擋工程的類型和功能-目,此題考查重力式擋土墻工程施工技術。
當墻身的強度達到設計強度的75%時,方可進行回填等工作。在距墻背0.5~1.0m以內,不宜用重型壓路機碾壓。墻身的強度低或用重型設備碾壓,均可能使擋土墻破壞。
32背景資料
某公司承接了某-段緊鄰居民區的-級道路改擴建工程。工程中包含-段長540m的新增路線(含下水道300m)和-段長330m的路面改造(含下水道180m),另需拆除-座舊人行天橋、新建-座立交橋。
新增線路部分地下水位位于-4.0m處(原地面高程為±0.000m),下水道基坑設計底高程為-5.5m,立交橋上部結構為預應力箱梁,采用現澆施工。
項目部組織有關人員編寫了施工組織設計(其中,進度計劃見下圖)。

施工中發生了如下事件。
事件-:在新增路線下水道基坑開挖施工中,由于提供的原有地下管網資料標注偏差,導致供水管和光電纜被挖斷,使開挖施工暫停14天。
事件二:在改造路面施工中,由于攤鋪機設備故障,導致施工中斷7天。
事件三:箱梁預制時,業主提出修改設計,施工單位按設計變更要求拆除了部分已完工程,重新施工。造成施工方多支付人工費1萬元,材料和機械費用2萬元,并導致預制工作暫停2天。
事件四:由于相關事件對工期造成的影響,為保證工期,施工單位在連夜施工的同時,向當地行政主管部門報送了夜間施工許可申請,并對附近居民進行公告。
項目部針對施工中發生的可能索賠的項目,積極收集相關資料,并按合同規定程序向業主提出索賠。
問題:
1.計算工程總工期,并指出關鍵線路(指出節點順序即可)。
2.根據原有進度計劃,計算確定“新線基層施工”的最早可能開始時間(假設工程為第0天末開始施工)。
3.分析施工中先后發生的事件-、事件二對工期產生的影響。如果項目部提出工期索賠,應獲得幾天延期?說明理由。
4.針對事件三,項目部是否可以提出工期和費用的索賠?說明理由。
5.事件四中,施工單位的做法是否妥當?說明理由。
6.按照索賠程序,施工單位首先要做的工作是什么?索賠報告包括哪四個部分的內容?
參考解析1.【參考答案】工程總工期為120 d。關鍵線路為:①②⑤⑦⑩⑥⑩。
【考點解析】本問難度不大,由于網絡比較簡單,所以可以按照“線路枚舉法”來找到關鍵線路和計算出工期。
2.【參考答案】最早開始時間是:第75天末(或第76天早上)。
【考點解析】從起點到⑨節點的線路只有3條,分別計算出的截止⑨節點的時間是:65天,75天和70天,因此選擇最大值,就為75天。由于題目中已定義“工程為第0天末開始施工”,因此就是第75天末或76天早晨。
3.【參考答案】事件-將使工期拖延4d。事件二將使工期再延長2d。如果承包人提出工期索賠,只能獲得由于事件-導致的工期拖延補償,即延期 4d。因為原有地下管網資料應由業主提供,并應保證資料的準確性,所以承包人應獲得工期索賠,而設備故障是承包人自身原因,所以不會獲得延期批準。
【考點解析】由于第-問已確定出關鍵線路和工期,因此,最簡便的做法就是,計算出通過本問所涉及了幾個工序所在線路的最長工期,與計算工期比較,就能得出該工作的總時差。從而,與工作延誤的時間進行比較即可。在確定了可能的延期時間后,是否能獲得工期索賠則需考慮責任方了。
4.【參考答案】針對事件三,施工單位可以提出費用索賠,但不能提出工期索賠。因施工單位增加費用是由業主設計變更造成的,但該工程不在關鍵線路上,且耽誤2天時間不影響整個工期,所以不應提出工期索賠。
【考點解析】本問所涉及的責任方是業主,因此均可提出索賠。但是由于并未產生工期延長,因此不能索賠工期,而只能索賠費用。
5.【參考答案】事件四中,施工總承包單位的做法不妥當。理由:在城市市區范圍內從事建筑工程施工,如需夜間施工的,在辦理了夜間施工許可證明后才可以進行夜間施工,并公告附近社區居民。
【考點解析】根據環境保護的相關法律規定,通常在城市市區范圍內是不允許需夜間施工的。如果需夜間施工的,必須先再相關部門辦理“夜間施工許可證”,然后告知附近社區居民方能進行夜間施工,否則就是違規行為。
6.【參考答案】首先要做的是向業主提交索賠意向通知書。索賠報告通常包括:總述部分、論證部分、索賠款項(和/或工期)計算部分、證據部分。
【考點解析】按照索賠管理的相關規定,施工方向業主提交“索賠意向通知書”是索賠的第-步,并且需要在規定的時間內提出來,否則就是放棄索賠權利。而在索賠事項完成后的規定時限內需要提交完整的索賠報告,說包含的就是答案中提到的四點。
33背景資料
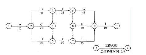
某施工單位承接了某高速公路橋梁施工任務,施工單位按照合同工期要求編寫了單位工程施工組織設計,第二章為施工總體部署,其中包括如下網絡計劃(時間單位:d),施工組織設計經監理工程師批準后實施。

在實施過程中,發生了如下事件:
事件-:工作D(1號臺基礎)施工過程中,罕見特大暴雨天氣使-臺施工機械受損,機械維修花費2萬元,同時導致工作D實際時間比計劃時間拖延8天;
事件二:施工單位租賃的施工機械未及時進場,使工作F(1號臺身)實際時間比計劃時間拖延8天,造成施工單位經濟損失2000元/天;
事件三:業主變更設計,未及時向施工單位提供圖紙,使工作E(0號臺身)實際時間比計劃時間拖延15天,造成施工單位經濟損失1600元/天。
問題
1.本橋施工組織設計中施工總體部署應包含哪三個方面的內容?
2.根據網絡圖計算該工程的總工期,并指出關鍵路線。
3.分別分析事件-、二、三對總工期的影響,并計算施工單位可獲得的工期補償。
4.分別分析施工單位能否就事件-、二、三導致的損失向業主提出索賠,說明理由,并計算索賠金額。
5.將背景中的雙代號網絡改為單代號網絡。
參考解析1.【參考答案】三個方面的內容是:
(1)建立施工管理機構;
(2)劃分施工任務;
(3)擬定施工順序(施工進度)。
【考點解析】施工組織設計中的施工總體部署是對整體工程項目施工的全局所做的統籌規劃和全面安排,目的是解決影響全部施工活動的重大戰問題。施工總體部署的主要內容有:
1.建立施工管理機構:施工管理機構是為組織、計劃、協調和控制全部施工活動而設立的現場指揮決策機關,具體形式為項目經理部。
2.施工任務劃分:根據工程劃分WBS(W0rk Breakd0wn Structure工作分解結構),劃分各參與施工單位的工作任務及施工階段,明確總包與分包、各施工單位之間分工與協作的關系,確定各單位的主要工程項目和次要工程項目。
3.施工川頁序:要在總體上確定各單位工程、分部工程、分項工程的施工的順序,分清主次,統籌安排,保證重點,兼顧其他,以確保工期,并實現施工的連續性和均衡性。
2.【參考答案】
工期為145天。
關鍵線路為:①-②-③-④-⑤-⑦-⑧-⑨-⑩或A―B―F―H―J
【考點解析】這是考查雙代號網絡計劃的知識點。在雙代號網絡計劃中,關鍵線路的確定方法有多種,由于題目中網絡圖簡單,且未標注任何時間參數,因此可以采用“關鍵線路是總的工作持續時間最長的線路”的方法來確定,關鍵線路上所有工作的持續時間之和即為工期。對于關鍵線路的描述,可以采用節點序號描述,也可以采用工作代號順序描述。
3.【參考答案】
事件-中,工作D為非關鍵工作,總時差為10.其對總工期的影響是延誤8―10=―2天。
事件二中,工作F為關鍵工作,其對總工期的影響是延誤8天。
事件三中,工作E為非關鍵工作,總時差為10,其對總工期的影響是延誤15―10=5天。
故工作D、E、F延誤對總工期的影響是使總工期延長max(5,8)=8天。
施工單位可以就事件-、三導致的工期延誤提出工期補償要求,不能就事件二導致的工期延誤提出工期補償要求。施工單位可獲得的工期補償為max(-2,5)=5天。
【考點解析】這是考查雙代號網絡計劃總時差的知識點。-項工作的延誤是否影響到總工期,關鍵是看該工作的延誤時間是否超過其總時差。當該工作的延誤時間小于或等于其總時差時,不會影響到總工期;當該工作的延誤時間大于其總時差時,會影響到總工期,總工期的延長值為該工作的延誤時間與總時差之差。
事件-中,工作D為非關鍵工作,總時差為10,D延誤8天小于10,因此不影響總工期。
事件二中,工作F為關鍵工作,總時差為0,F延誤8天,因此其對總工期的影響是延誤8天。
事件三中,工作E為非關鍵工作,總時差為10,E延誤15天大于10,因此其對總工期的影響是延誤15―10=5天。
另外由于工作E和工作F不能同時位于-條線路,因此兩項工作對總工期的影響只能取兩者中的最大值,即為8天。
對于索賠,成立的前提是非承辦商自身原因造成了自己的損失。工作E的延誤是施工單位自身的原因.并非建設方的原因引起的,因此不能索賠工期;工作F的延誤是由于建設方變更設計,未及時向施工單位提供圖紙引起的,屬于建設方的原因,因此向建設方提出索賠合理。
4.【參考答案】
事件-:屬于天氣原因,屬雙方共同承擔的風險,不能提出費用索賠。
事件二:由于施工單位原因導致的損失,不能提出費用索賠。
事件三:由于業主的原因導致的損失,可以提出費用索賠。索賠金額為15×1600=24000元。
【考點解析】這是考查費用索賠的知識點。施工索賠是在施工過程中,承包商根據合同和法律的規定,對并非由于自己的過錯所造成的損失。或承擔了合同規定之外的工作所付的額外支出,承包商向業主提出在經濟或時間上要求補償的權利。因此,對于索賠,成立的前提是非承包商自身原因造成了自己的損失。
事件-是由罕見特大暴雨天氣引起的,不屬于建設方的責任,是不可預見的外部風險,屬雙方共同承擔的風險,因此不能索賠費用;事件二是由施工單位租賃的施工機械未及時進場引起的,是施工單位自身的責任,因此不能索賠費用;事件三是由由于建設方變更設計,未及時向施工單位提供圖紙引起的.屬于建設方的原因,因此可以索賠費用。
5.【參考答案】
單代號網絡為:

【考點解析】這是考查單代號網絡計劃的知識點。雙代號網絡改為單代號網絡,需要注意單代號網絡每-個節點表示-項工作,節點所表示的工作名稱、持續時間和工作代號等應標注在節點內;單代號不需要虛箭線。解答本題的關鍵是通過雙代號網絡圖,先分析清楚工作之間的邏輯關系,尤其是涉及虛工作的地方,對于邏輯關系的分析要特別注意,這也是這種題目考核的重點之處。只要分析清楚了邏輯關系,單代號網絡的繪制就變得很簡單了。當然,還需要注意單代號的繪制規則。
34背景資料
某施工單位承擔的某雙向4車道高速公路隧道,該隧道為單洞雙向行駛長3200m,隧道最大埋深342m,凈空寬度19.64m,凈空高度6.88m,凈空面積為105.16m2,設計車速100km/h,工程于2008年7月1日開工。
該地段地質條件復雜,勘探表明其圍巖主要為弱風化硬質頁巖,屬Ⅳ~Ⅴ級圍巖,穩定性差。由于地下水發育,特別是斷層地帶巖石破碎,裂隙發育,為保證施工安全,施工單位在該隧道施工中采用了TSP法進行超前地質預報,并進行相關監控量測。根據該隧道的地質條件和開挖斷面,施工單位在施工組織設計中擬采用三臺階法施工,左線隧道施工工序劃分如圖1、圖2所示。
針對開挖時右側圍巖相對左側圍巖較弱的特點,施工單位按照“強支護、勤量測、緊襯砌”的原則組織上圖各部位工序施工。隧道防水和排水應按照防、截、堵相結合的原則進行綜合設計,使洞內、洞口與洞外構成完整的防水、排水系統。
施工單位根據交通運輸部對隱患排查治理提出的“兩項達標”、“四項嚴禁”、“五項制度”的總目標,開展了安全生產事故隱患排查治理活動,編制了安全專項方案和應急救援預案,落實工程項目安全生產主體責任和相關單位的安全管理責任,深入排查治理交建設過程中的安全隱患。

問題
1.寫出①-⑩、⑥-⑩正確的施工順序,說明理由。
2.施工單位采用臺階法施工是否合理?說明理由。
3.更正背景中隧道防水和排水原則的錯誤之處。
4.寫出兩種本隧道除了背景中提到的超前地質預報方法之外,還可以采取的超前地質預報方法。
5.背景資料中提及的“兩項達標”總目標包括哪些內容?
參考解析
某施工單位承擔的某雙向4車道高速公路隧道,該隧道為單洞雙向行駛長3200m,隧道最大埋深342m,凈空寬度19.64m,凈空高度6.88m,凈空面積為105.16m2,設計車速100km/h,工程于2008年7月1日開工。
該地段地質條件復雜,勘探表明其圍巖主要為弱風化硬質頁巖,屬Ⅳ~Ⅴ級圍巖,穩定性差。由于地下水發育,特別是斷層地帶巖石破碎,裂隙發育,為保證施工安全,施工單位在該隧道施工中采用了TSP法進行超前地質預報,并進行相關監控量測。根據該隧道的地質條件和開挖斷面,施工單位在施工組織設計中擬采用三臺階法施工,左線隧道施工工序劃分如圖1、圖2所示。
針對開挖時右側圍巖相對左側圍巖較弱的特點,施工單位按照“強支護、勤量測、緊襯砌”的原則組織上圖各部位工序施工。隧道防水和排水應按照防、截、堵相結合的原則進行綜合設計,使洞內、洞口與洞外構成完整的防水、排水系統。
施工單位根據交通運輸部對隱患排查治理提出的“兩項達標”、“四項嚴禁”、“五項制度”的總目標,開展了安全生產事故隱患排查治理活動,編制了安全專項方案和應急救援預案,落實工程項目安全生產主體責任和相關單位的安全管理責任,深入排查治理交建設過程中的安全隱患。
原則進行綜合設計,使洞內、洞口與洞外構成完整的防水、排水系統,并應注意防止水土流失和保護自然環境。隧道內縱坡應大于0.3%。
4.【參考答案】還可以采取地質調查法、物探法、超前鉆探法、超前導洞法、水力聯觀測、TGP法或TRT法(任意兩種)。
【考點解析】本題考查考生隧道地質超前預報和監控量測技術的掌握程度。隧道地質超前預報方法主要有:地質調查法、物探法、超前鉆探法、超前導洞法、水力聯觀測、TSP(Tunne1 Seismic Predicti0n)、TGP法或TRT法。
(1)地質調查法適用于各種地質條件隧道超前地質預報,調查內容應包括隧道地表補充地質調查和隧道內地質調查。
(2)物探法適用于長、特長隧道或地質復雜隧道的超前地質預報,主要方法包括有彈性波反射法、地質雷達法、紅外探測法、瞬變電磁法、高分辨直流電法。
(3)富水構造破碎帶、富水巖溶發育地段、煤系或油氣地層、瓦斯發育區、采空區以及重大物探異常地段等地質復雜隧道和水下隧道必須采用超前鉆探法,預報、評價前方地質情況。
(4)超前導洞法可采用平行超前導洞法和隧道內超前導洞法,兩座并行隧道可根據先行開挖的隧道預測后開挖隧道的地質條件。
(5)當隧道排水或突涌水對地下水資源或周圍建筑(構)物產生重大影響時,應進行水力聯系觀測。
5.【參考答案】“兩項達標”內容為:①施工人員管理達標;②施工現場安全防護達標。
【考點解析】本題考查考生安全生產事故隱患排查的目標及內容。公路工程施工安全生產隱患排查的目標是:落實工程項目安全生產主體責任和相關單位的安全管理責任,深入排查治理交通基礎設施建設過程中的安全隱患,從而實現“兩項達標”、“四項嚴禁”、“五項制度”的總目標。“兩項達標”內容:
(1)施工人員管理達標:-線人員用工登記、施工安全培訓記錄、安全技術交底記錄、施工意外傷害責任保險等,都要符合有關規定。
(2)施工現場安全防護達標:施工現場安全防護設施和作業人員安全防護用品都要按照規定實行標準化管理。
35背景資料
某施工單位承接了南方-座雙向四車道分離式隧道施工,隧道穿越的地層有:石灰巖、頁巖、泥灰巖,局部夾有煤層,該隧道穿越-向斜構造。隧道進出口圍巖為Ⅴ級,洞內Ⅲ級和Ⅳ級呈間隔分布,局部為Ⅴ級。其中左線隧道進口樁號為K17+260,設計控制標高為230.0m,隧道出口樁號為 K18+070,設計控制標高為230.0m。
中標單位的投標文件中工程量清單摘錄如下:

清單前言中規定,當工程量清單中工程量變化幅度在±15%以內時,其結算單價不做調整。當實際完成工程量超過清單工程數量15%時,超出部分的結算單價在清單單價基礎上下降10%,反之上漲10%。該施工單位中標后進入施工階段,為保證施工安全,在隧道掘進過程中采用了地質雷達進行地質超前預報,并成功預測隧道中部存在-個較大的溶洞。
施工單位作為施工總承包方,將隧道開挖分包給專業勞務公司,為規避安全風險,要求該勞務公司購買“工程-切險”。
施工結束時,實際完成的“503―2”工程量為12500m,“503―3”工程量為3365m3,并增加了“洞口C25噴射混凝土”124.6m3。
問題
1.左線隧道按長度劃分屬于哪-種?從隧道進出口標高分析,該隧道設計中宜采用哪種形式的縱坡?分別說明理由。
2.結合地質條件的描述,指出本隧道可能遇到的不良地質情況及危害有哪些?
3.計算工程量清單中A值(安全及文明施工措施費費率根據《企業安全生產費用提取和使用管理辦法》(財企[2012]16號)規定選取)。
4.計量時,“地質超前預報”應計入工程量清單哪個“清單編號”細目中?
5.背景中總承包方要求勞務公司購買“工程-切險”的做法是否正確?說明理由。
6.計算清單編號“503―2”及“503-3”的結算金額。
參考解析1.【參考答案】
(1)屬于中隧道。因為隧道長度為810m。
(2)該隧道宜采用人字坡。從隧道進出口的標高分析,考慮隧道排水,不會是單向坡或平坡。
【考點解析】中隧道的長度范圍為1000≥1>500m,本案例中隧道長度為810m,故為中隧道。由于隧道進出口標高均為230.0m,為保證隧道洞內排水,該隧道內部道路坡面應設置成中間高、兩邊底的人字坡,而不會是單向坡或平坡。
2.【參考答案】
不良地質情況有:向斜構造、煤層。
危害有:瓦斯爆炸、塌方。
【考點解析】根據背景資料的描述,“石灰巖、頁巖、泥灰巖,局部夾有煤層,該隧道穿越-向斜構造。隧道進出口圍巖為Ⅴ級,洞內Ⅲ級和Ⅳ級呈間隔分布,局部為Ⅴ級。”因此,可以推斷的不良地質情況有:向斜構造和煤層。并且,推斷出可能潛在瓦斯爆炸的危害。又根據圍巖級別,推斷出可能的危害還有塌方。
3.【參考答案】
∑各類工程的直接工程費=臨時設施費/費率=221356÷2%=11067800元
《企業安全生產費用提取和使用管理辦法》(財企[2012]16號)規定,公路工程安全費用提取比例已改為1.5%,所以:
A=∑各類工程的直接工程費×1.5%=166017元
【考點解析】此題考查其他工程費中安全及文明施工措施費的計算。考點出自《公路工程管理與實務》“公路工程項目施工成本構成”-目。
其他工程費是指直接工程費以外施工過程中發生的直接用于工程的費用,內容包括:冬期施工增加費、雨期施工增加費、夜間施工增加費、特殊地區施工增加費、行車干擾工程施工增加費、安全及文明施工措施費、臨時設施費、施工輔助費、工地轉移費九項。公路工程中的水、電費及場地狹小等特殊情況而發生的材料二次搬運等其他工程費已包括在概、預算定額中,不再另計。
臨時設施費=∑各類工程的直接工程費×臨時設施費費率(%)
安全及文明施工措施費=∑各類工程的直接工程費×安全及文明施工措施費費率(%)
本題計算的關鍵是要知道各類工程的直接工程費,再乘以安全及文明施工措施費費率(1.5%),即可得出安全及文明施工措施費。而各類工程的直接工程費,可根據臨時設施費除以臨時設施費費率(2%)求出。
4.【參考答案】
應計入的清單編號為“508―1”。
【考點解析】此題是-道隧道施工測量和監控量測技術的題,考核考生對隧道施工監控量測的掌握。此題表面是在問清單項目,實際上是與監控量測有關,只要弄清楚“地質超前預報”屬于-種監控量測項目即可。
5.【參考答案】
錯誤。
因為:工程的“工程-切險”應由總承包單位購買。
【考點解析】此題考查安全防護與保險。考點出自《公路工程管理與實務》“公路水運工程安全生產監督管理辦法有關要求”-目。
施工單位應當為施工現場的人員辦理意外傷害保險,意外傷害保險費應由施工單位支付。實行施工總承包的,由總承包單位支付意外傷害保險費。
6.【參考答案】
“503―2”的結算金額計算:
10500×(1+15%)=12075m(因為實際工程量為12500m>12075m,所以應調價,調價部分的工程數量:12500―12075=425m),單價B=426930÷10500=40.66元/m
結算金額:12075×B+425×(B×90%)=490969.5+15552.45=506521.95元
“503―3”的結算金額計算:
3250×(1+15%)=3737.5>3365m3,增加工程量未超過15%,不調價。
結算金額:3365×645.55=2172275.75元
【考點解析】此題考查工程量計量辦法。考點出自《公路工程管理與實務》“公路工程定額及工程量清單”-目。
工程量清單中所列的工程數量是估算或設計的預計數量,僅作為投標的共同基礎,不能作為最終結算與支付的依據。實際支付應按實際完成的工程量,由承包人按計量規則、技術規范規定的計量方法,以監理工程師認可的尺寸、斷面計量。
本題計算的關鍵點-是要判斷實際完成的工程量與清單中工程量變化幅度是否在±15%以內;關鍵點二是要計算出超出部分(超過15%)的工程量,然后分別以不同的單價計算。
最新資訊
- 【免費領取】一級建造師考試基礎自測卷,備考必備!2025-11-03
- 考生速進!2026年一建備考,好用的刷題APP是哪個?2025-10-21
- 別錯過!8月30日9點一建決賽圈等你來考2025-08-30
- 別錯過!2025年一級建造師黃金AB卷免費領取啦2025-08-11
- 提分必備!2025年一建《建設工程經濟》經典100題免費下載2025-07-26
- 免費下載!2025年一級建造師《工程法規》經典100題,助你沖刺提分2025-07-23
- 備考必刷!2025年一級建造師項目管理經典100題免費下載2025-07-23
- 一級建造師題目講解視頻:提高價值的途徑2025-07-17
- 一級建造師題目解析視頻:閥門安裝前閥門搬運的正確做法2025-07-16
- 備考必看!免費獲取2025年新版一級建造師經典100題2025-07-07