2015年一建《公路》考點與習題:公路工程進度控制
【摘要】環球網校一級建造師頻道,為方便各位一級建造師考生更好的備考一級建造師考試,特地整理一級建造師考試模擬試題,并附解析與參考答案,本文為2015年一建《公路》考點與習題:公路工程進度控制,希望各位一級建造師考生通過模擬試題的方式掌握考點。
最新推薦: 一級建造師?精彩授課視頻免費學習
課程推薦: 2015年招生方案
1B420030 公路工程進度控制
1.公路工程進度計劃的編制特點
公路工程進度計劃的主要形式有橫道圖、“S”曲線、垂直圖、斜率圖、網絡圖(時間常數的含義與計算方法)。垂直圖很適合表示公路、隧道等線形工程的總體施工進度。斜率越陡進度越慢,斜率越平坦進度越快。
公路施工過程基本組織方法有順序作業法、平行作業法、流水作業法。順序作業法與平行作業法相比較的主要特點前者工期長資源少歲后者工期短資源多。流水作業法的主要特點是必須按工藝專業化進行分工協作,連續性、協調性、均衡性、經濟性,適用于路面和橋涵施工。
常用的流水參數有工藝參數包括施工過程數九(工序個數),流水強度V;空間參數包括工作面A、施工段m、施工層;時間參數包括流水節拍t、流水步距K、技術間歇Z、組織間歇、搭接時間。
流水施工按流水節拍可分為有節拍流水(等節拍流水、異節拍成倍流水)和無節拍流水。無節拍流水施工一般按照不窩工進行組織,‘通過用累加數列錯位相減取大差的方法求流水步距來實現。累加時應注意將同工序各流水節拍值進行累加。
無節拍流水工期=流水步距和+最后一道工序流水節拍的和+技術間歇的和
施工單位編制完進度計劃后根據要求進行提交和審批,審批時對進度計劃審查的重點
內容是:工期和時間安排的合理性,施工準備的可靠性,計劃目標與施工能力的適應性。
2.公路工程進度控制管理
公路工程項目進度檢查應包括的內容有:工作量的完成情況,工作時間的執行情況,資源使用及進度的互配情況,上次檢查提出問題的處理情況。進度計劃檢查的方法有:橫道圖比較法,“S"形曲線比較法,“香蕉”形曲線比較法,網絡圖的前鋒線比較法(或完工時點計算法,或時差計算法,常在案例分析中應用)。
進度計劃的調整通常有兩種方法,一是改變某些關鍵工作間的邏輯關系,二是縮短某些關鍵工作的持續時間。
一、單項選擇題
1.下列公路工程進度計劃的主要形式中,論述正確的是( )。
A.橫道圖是以時間為縱坐標,以各工作內容為橫坐標的進度圖
B.“S”曲線是以時間為橫軸,以累計完成的工程費用為縱軸的圖表化曲線
C.垂直圖的斜率越陡進度越慢,斜率越平坦進度越快
D.垂直圖是以時間為橫軸,以公路里程為縱軸的進度圖
2.屬于公路工程常用的流水空間參數是( )。
A.施工過程數 B.工作面
C.流水節拍 D.技術間歇
3.屬于公路工程常用的流水時間參數是( )。
A.施工過程數 B.工作面
C.流水節拍 D.流水強度
4.路面工程施工中,相鄰結構層之間的速度決定了相鄰結構層之間的搭接類型,前道工序的速度慢于后道工序時選用( )搭接類型。
A.開始到開始 B.開始到完成
C.完成到開始 D.完成到完成
5.管涵施工中,水泥混凝土墊層完成后,需技術間歇7d,待混凝土達到強度后才可吊裝管道,應選用的搭接關系是( )。
A.STS=7d B.FTF= 7d
C.FTS= 7d D.STF= 7d
6.在對進度計劃進行施工準備的可靠性審查時,應重點審查( )。
A.施工總工期的安排應符合合同工期
B.主要骨干人員及施工隊伍的進場日期已經落實
C.各項施工方案和施工方法應與施工經驗和技術水平相適應
D.對動員、清場、假日及天氣影響的時間,應有充分的考慮并留有余地
7.在對進度計劃進行工期和時間安排的合理性審查時,應重點審查( )。
A.施工總工期的安排應符合合同工期
B.主要骨干人員及施工隊伍的進場日期已經落實
C.各項施工方案和施工方法應與施工經驗和技術水平相適應
D.所需主要材料和設備的運送日期已有保證
8.在對進度計劃進行計劃目標與施工能力的適應性審查時,應重點審查( )。
A.施工總工期的安排應符合合同工期
B.主要骨干人員及施工隊伍的進場日期已經落實
C.各項施工方案和施工方法應與施工經驗和技術水平相適應
D.所需主要材料和設備的運送日期已有保證
9.考慮瀝青路面結構層持續時間時,不屬于影響因素的是( )。
A.瀝青拌合機的能力 B.攤鋪速度
C.混合料的出廠溫度 D.開放交通的溫度.
10.在中標通知書發出后合同規定的時間內,承包人應向( )書面提交一份詳細和格式符合要求的工程總體進度計劃。
A.監理工程師 B.業主
C.質量監督站 D.上級公司
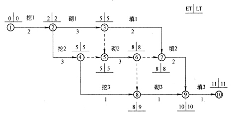
11.某公路橋梁工程結構物的流水施工的進度計劃雙代號網絡圖和節點時間參數如下:

該網絡計劃的關鍵線路是( )條。
A.1 B.2
C.3 D.4
12.第11題圖中挖3工序的總時差是( )。
A.。 B.1
C.2 D.3
13.第11題圖中挖3工序的自由時差是( )。
A.。 B.1
C.2 D.3
14.第11題圖中挖3工序的最早開始時間和最早完成時間論述正確是( )。
A.挖3工序最早在第5d后開始并且最早在第6d晚上結束
B.挖3工序最早在第5d早晨開始并且最早在第6d晚上結束
C.挖3工序最早在第5d后開始并且最早在第8d晚上結束
D.挖3工序最早在第5d早晨開始并且最早在第9d晚上結束
15.第11題圖中挖3工序的最遲開始時間和最遲完成時間論述正確是( )。
A.挖3工序最遲在第5d后開始并且最遲在第6d晚上結束
B.挖3工序最遲在第5d早晨開始并且最遲在第8d晚上結束
C.挖3工序最遲在第8d早晨開始并且最遲在第9d晚上結束
D.挖3工序最遲在第8d后開始并且最遲在第9d晚上結束
二、多項選擇題
1.各個施工過程的勞動量和作業量是指( )。
A.工程細目的工程數量與相應時間定額的乘積
B.實際使用的工人數量與作業時間的乘積
C.實際使用的工人數量
D.實際使用的機械臺數與作業時間的乘積
E.實際使用的機械臺數
2.順序作業法(也稱為依次作業法)的主要特點有( )。
A.沒有充分利用工作面進行施工 B.用于需要突擊性施工時施工作業的組織
C.施工現場的組織、管理比較簡單 D.專業化作業隊能夠連續作業
E.有利于資源供應的組織工作
3.在對進度計劃進行施工準備的可靠性審查時,應重點審查( )。
A.施工總工期的安排應符合合同工期
B.主要骨干人員及施工隊伍的進場日期已經落實
C.各項施工方案和施工方法應與施工經驗和技術水平相適應
D.對動員、清場、假日及天氣影響的時間,應有充分的考慮并留有余地
E.所需主要材料和設備的運送日期已有保證
4.在對進度計劃進行工期和時間安排的合理性審查時,應重點審查( )。
A.施工總工期的安排應符合合同工期
B.主要骨干人員及施工隊伍的進場日期已經落實
C.各項施工方案和施工方法應與施工經驗和技術水平相適應
D.所需主要材料和設備的運送日期已有保證
E.對動員、清場、假日及天氣影響的時間,應有充分的考慮并留有余地
5.在對進度計劃進行計劃目標與施工能力的適應性審查時,應重點審查( )。
A.施工總工期的安排應符合合同工期
B.主要骨干人員及施工隊伍的進場日期已經落實
C.各項施工方案和施工方法應與施工經驗和技術水平相適應
D.所需主要材料和設備的運送日期已有保證
E.關鍵線路上的施工力量安排應與非關鍵線路上的施工力量安排相適應
6.路面各結構層的持續時間的考慮因素有( )。
A.水泥穩定碎石的延遲時間 B.瀝青材料的拌合能力
C.瀝青混合料的溫度要求 D.無機穩定類材料的養護時間
E.最大工作面的要求
7.某一非關鍵工作(工序)的持續時間為5d;它的總時差為4d、自由時差為2d,在進度檢查時發現拖延了7d。以下論述正確的是( )。
A.該工程的工期將拖延2d
B.該工程的工期將拖延3d
C.該工序已經轉變為關鍵工序,而且關鍵線路至少增加一條
D.如果該工序拖延2d對后續工序無影響,對總工期也無影響
E.由于上述拖延是發生在非關鍵工作中,即使是業主原因,也不批準工期延長的申請
【1B420030答案與解析】
一、單項選擇題
1.C; 2.B; 3.C; 4.D; 5.C; 6.B; 7.A; 8.C; 9.D; 10.A; *11.B; *12.D; *13.C; *14.A; *15.D
【解析】
11.B:
關鍵線路兩條分別是①②③⑤⑥⑦⑨⑩,①②④⑤⑥⑦⑨⑩。而③⑦填1不是關鍵工序,所以不是3條。
12.D:
挖3工序的總時差=箭頭點最遲-箭尾點最早-本工序持續=9-5-1=3。
13.C:
挖3工序的自由時差=箭頭點最早-箭尾點最早-本工序持續=8-5-1=2。
14.A:
工序的最早開始時間在箭尾點的最早時間一5,是表示第5天后即第6天早晨,因為第一道工序的開始時間0則表示為第0天后即第1夭早晨開始;工序最早完成不能用箭頭點的參數,只能通過工序開始時間加持續時間計算求得,5+1=6,所以A正確。
15.D:
工序的最遲完成時間在箭頭點的最遲時間一9,是表示第9天晚上結束;工序最遲開始不能用箭尾點的參數,只能通過工序完成時間減持續時間計算求得,9-1=8,表示第8天后即第9天早晨,所以D正確。
二、多項選擇題
1.A、B、D; 2.A、C、E; 3.B、E; 4.A、E; 5.C、E; 6.A、B、D; *7.B、D
【解析】
7.B、D:
工期拖延=工序拖延-工序總時差=7-4=3。 C項中該工序已經轉變為關鍵工序的表述是正確的,但是關鍵線路至少增加一條是錯的,因為有可能原來的關鍵線路變成了不關鍵。 D項正確是因為拖延量沒有超過該工序的自由時差2對緊后工序無影響自然對后續的工序也無影響。 E項錯誤是因為此時該工序已經變成關鍵工序了,關鍵線路和關鍵工作是相對,此時工期已經超了3天,理論上應批準延長工期3天。
最近熱點:一建成績查詢入口
最新消息:一級建造師掛靠價格

環球網校友情提示:如果您在此過程中遇到任何疑問,請登錄環球網校一級建造師頻道及考試論壇,隨時與廣大考生朋友們一起交流!
編輯推薦:
交流互動:一建微博|微信edu24ol_jzs1|QQ群72421116
最新資訊
- 【免費領取】一級建造師考試基礎自測卷,備考必備!2025-11-03
- 考生速進!2026年一建備考,好用的刷題APP是哪個?2025-10-21
- 別錯過!8月30日9點一建決賽圈等你來考2025-08-30
- 別錯過!2025年一級建造師黃金AB卷免費領取啦2025-08-11
- 提分必備!2025年一建《建設工程經濟》經典100題免費下載2025-07-26
- 免費下載!2025年一級建造師《工程法規》經典100題,助你沖刺提分2025-07-23
- 備考必刷!2025年一級建造師項目管理經典100題免費下載2025-07-23
- 一級建造師題目講解視頻:提高價值的途徑2025-07-17
- 一級建造師題目解析視頻:閥門安裝前閥門搬運的正確做法2025-07-16
- 備考必看!免費獲取2025年新版一級建造師經典100題2025-07-07
