浙江省2011年7月自考工程造價試題
浙江省2011年7月高等教育自學考試$lesson$
工程造價試題
課程代碼:03410
一、單項選擇題(本大題共15小題,每小題2分,共30分)
在每小題列出的四個備選項中只有一個是符合題目要求的,請將其代碼填寫在題后的括號內。錯選、多選或未選均無分。
1.______一般是指在企業生產經營過程中經常改變其存在狀態,在一定營業周期內變化或耗用的資產,如原材料、燃料等勞動對象的投資。( )
A.固定資產投資 B.流動資產投資
C.靜態投資 D.動態投資
2.下列費用中屬于直接工程費的是( )
A.施工中消耗的材料費 B.混凝土施工過程中需要的模板費
C.施工中需要的腳手架攤銷費用 D.支架的支、拆、運輸費用
3.根據《建筑安裝工程費用項目組成》(建標[2003]206號)文件的規定,下列屬于規費的是( )
A.環境保護費 B.工程排污費
C.安全施工費 D.文明施工費
4.委托設計單位編制工程概預算的費用屬于( )
A.建設單位管理費 B.建設單位開辦費
C.勘察設計費 D.建設單位經費
5.消耗量定額指由建設行政主管部門根據合理的施工組織設計,按照正常施工條件下,生產一個規定計量單位工程合格產品所需人工、材料、機械臺班的______消耗量。( )
A.企業平均 B.行業平均
C.社會平均 D.標準
6.制定工程量清單的項目設置規則是為了統一項目編碼及( )
A.項目名稱轉自環 球 網 校edu24ol.com
B.項目名稱、計量單位
C.項目名稱、計量單位、工程量計算規則
D.項目名稱、計量單位、工程量計算規則、工程內容
7.某分部分項工程的清單編碼為020302008001,則該專業工程的順序編碼為( )
A.03 B.02
C.008 D.001
8.使用同一種材料的磚墻及磚基礎的分界線為( )
A.設計室內地坪 B.防潮層
C.設計室外地坪 D.自然地面
9.某項目建設期2年,各年計劃投資額如下:第一年靜態投資10000萬元,第二年20000萬元,年均投資價格上漲率為5%,則該項目的漲價預備費為______萬元。( )
A.1000 B.1500
C.2050 D.2550
10.設計概算是指在______對建設工程預期造價進行的優化、計算、核定及相應文件的編制。( )
A.設計任務書階段 B.可行性研究階段
C.初步設計階段 D.施工圖設計階段
11.兩算對比指的是______與______的對比。( )
A.竣工結算、施工預算 B.施工預算、施工圖預算
C.投資估算、審計概算 D.竣工結算、竣工決算
12.對于某些招標文件,當發現該項目工程范圍不很明確,條款不夠清楚或技術規范要求過于苛刻時,投標人最宜用的投標策略是( )
A.根據招標項目的不同特點采取不同的報價
B.增加建議方案
C.提供可供選擇項目的報價
D.多方案報價
13.在招標過程中,一些緊急工程,如災后恢復工程等,要求盡快開工且工期較緊,此時可能僅有實施方案,還沒有施工圖紙,因此不可能讓承包商報出合理價格,采用比較______合理,以邀請招標方式選擇有信譽、有能力的承包商及早開工。( )
A.實際費用合同 B.總價合同
C.成本合同 D.成本加酬金
14.投標報價是一件保密的工作,但是對手往往通過各種渠道、手段來刺探情況,因此在報價時可以采取迷惑對手的方法,即先按一般情況報價或表現出自己對該工程興趣不大,投標截止時間快到時,再用( )
A.靈活報價法 B.多方案報價法
C.不平衡報價法 D.突然降價法
15.______是指對利用標準圖或通用圖紙施工的工程,先集中力量,編制標準預算,并以此為標準審查預算的方法。( )
A.重點審查法 B.用標準預算審查法
C.全面審查法 D.分解對比審查法
二、多項選擇題(本大題共5小題,每小題2分,共10分)
在每小題列出的五個備選項中至少有兩個是符合題目要求的,請將其代碼填寫在題后的括號內。錯選、多選、少選或未選均無分。
16.我國現行建筑安裝工程費用構成中,屬于措施費的項目有( )
A.環境保護費 B.文明施工費
C.工程排污費 D.已完工程保護費
E.研究試驗費
17.工程量清單計價中,分部分項工程的綜合單價由完成規定計量單位工程量清單項目所需______等費用組成。( )
A.人工費、材料費、機械使用費 B.管理費
C.臨時設施費 D.利潤
E.稅金
18.下面需要參加建設項目竣工驗收的單位是( )
A.設計單位 B. 造價咨詢單位
C.建設單位 D.施工單位
E.相關銀行
19.下面是產生施工索賠的原因的是( )
A.合同變更 B.不可抗力事件
C.當事人違約 D.施工單位虧損
E.合同缺陷
20.施工圖預算審查的方法有( )
A.全面審查法 B.重點抽查法
C.對比審查法 D.系數估算審查法
E.聯合會審法
三、填空題(本大題共6小題,每空1分,共10分)
請在每小題的空格中填上正確答案。錯填、不填均無分。
21.______是根據上級批準的項目建議書,通過對項目有關的市場、技術、工程經濟和風險等各方面進行研究、分析、比較和論證,從而對項目的可行性做出全面的判斷。
22.按照工程建設的過程劃分,工程造價分為投資估算造價、設計概算造價、______造價、合同價、結算造價和決算造價。
23.概算指標分為______概算指標、______概算指標和工具器具購置費概算指標三大類。
24.我國現行的工程量清單計價辦法是以______計價。清單計價費用內容包括分部分項工程費、______、其他項目費、______和稅金。
25.______書是以實物數量和貨幣指標為計量單位,綜合反映竣工項目從籌建開始到項目竣工交付使用為止的全部建設費用、建設成果和財務情況的總結性文件。
26.施工圖審查的內容包括:審查______、審查設備及材料的價格、審查______的套用、審查有關費用項目及其計取等。
四、簡答題(本大題共4小題,每小題5分,共20分)
27.從市場角度來定義工程造價的含義是什么?
28.簡述工程量清單的編制依據。
29.什么是兩算對比?進行兩算對比有何意義?
30.根據《中華人民共和國招投標法》規定,凡在中華人民共和國境內進行的哪些工程建設項目必須進行招標?建設工程招標方式分為哪兩種?
五、計算題(本大題共4小題,共30分)
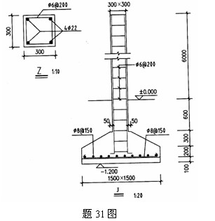
31.試計算下圖所示現澆鋼筋混凝土柱的混凝土澆搗工程量。(計算結果保留兩位小數)(5分)

32.有局部樓層的單層建筑物如下圖所示,計算其建筑面積。(圖示長度為軸線到軸線的尺寸,計算結果保留兩位小數)(5分)

33.某新建設的項目,建設期為3年,分年均衡進行貸款,第一年貸款300萬元,第二年貸款600萬元,第三年貸款400萬元,年利率為12%,試計算項目建設期貸款利息。(計算結果保留兩位小數)(10分)
34.浙江省某市經濟開發區有一幢辦公樓,其三種設計方案對比如下:(10分)
甲方案:墻體材料采用多孔磚及移動式可拆裝式分室隔墻,結構方案為大柱網框架輕墻體系,采用預應力大跨度疊合樓板,窗戶采用單框雙玻璃鋼塑窗,面積利用系數為90%,單方造價為1500元/m2;
乙方案:墻體采用內澆外砌,結構方案同A方案,窗戶采用單框雙玻璃腹鋼塑窗,面積利用系數為88%,單方造價為1200元/m2;
丙方案:墻體材料采用標準黏土磚,結構方案采用磚混結構體系,采用多孔預應力板,窗戶采用單玻璃空腹鋼塑窗,面積利用系數為80%,單方造價為980元/m2。
方案各功能和權重及各方案的功能得分見下表:

問題:試應用價值工程方法選擇最優設計方案。(功能系數、成本系數、價值系數計算結果保留小數點后三位)

最新資訊
- 自學考試《習概》2024年-2025年真題及答案解析匯總【免費領取】2025-11-17
- 自學考試《馬原》2022年-2025年真題及答案解析【免費領取】2025-11-17
- 2025年10月自考《英語二》完形補文+寫作真題及答案整理2025-10-30
- 備考重點!2025年10月自學考試全專業真題、答案解析合集匯總2025-10-30
- 同步更新!2025年10月自考《英語二》真題及答案匯總(完整版)2025-10-29
- 答案發布!2025年10月自考各專業真題已匯總2025-10-29
- 2025年10月自考《英語二》選擇、完形填空、寫作真題及答案更新!2025-10-28
- 更新!2025年10月自考《英語二》答案匯總2025-10-28
- 簡答題+論述題!2025年10月自考《毛概》真題答案速看2025-10-28
- 2025年10月自考本科對答案!公共課+專業課全科目真題及答案解析2025-10-28