浙江省2011年7月自考高電壓技術試題
浙江省2011年7月高等教育自學考試
高電壓技術試題
課程代碼:02653
一、單項選擇題(本大題共10小題,每小題1分,共10分)
在每小題列出的四個備選項中只有一個是符合題目要求的,請將其代碼填寫在題后的括號內。錯選、多選或未選均無分。
1.在極不均勻電場中,正極性電暈起始電壓比負極性電暈起始電壓( )
A.小 B.大轉自環 球 網 校edu24ol.com
C.相等 D.小2倍
2.若固體介質被擊穿的時間很短,又無明顯的溫升,可判斷是( )
A.電化學擊穿 B.熱擊穿
C.電擊穿 D.各類擊穿都有

7.雷擊于無避雷線的架空線路桿塔時,導線上產生的感應過電壓的大小與導線的高度( )
A.成指數關系 B.成反比關系
C.成正比關系 D.無關系
8.下列不同類型的過電壓中,不屬于內部過電壓的是( )
A.工頻過電壓 B.操作過電壓
C.諧振過電壓 D.大氣過電壓
9.不屬于GIS變電所防雷保護特點的是( )
A.母線波阻抗較小 B.保護與被保護設備間距離短
C.伏秒特性平坦 D.采用普通避雷器
10.單相變壓器繞組在受到過電壓作用的瞬間可等值為一個( )
A.電阻 B.電容
C.電感 D.L-C電路
二、填空題(本大題共14小題,每空1分,共15分)
請在每小題的空格中填上正確答案。錯填、不填均無分。
11.“去游離”過程包括帶電質點的__________、__________和附著三種形式。
12.中性點不接地系統發生單相接地時,若接地點存在間歇性電弧,可導致產生__________過電壓。
13.對于工程上所用的含雜質液體電介質的擊穿過程,通常采用“__________”來解釋。
14.測量電氣設備絕緣電阻的主要設備是__________。
15.一無限長直角電壓波沿線路經過串聯電感,其波形將變成__________形狀。
16.由L和C組成的振蕩電路,可能產生__________過電壓。
17.普通閥式避雷器的切斷比是指工頻放電電壓的下限與__________之比。
18.在具有雙端電源的線路中,線路合閘時若先合電源容量大的一側,后合電源容量小的一側,可以減弱__________效應引起的工頻過電壓。
19.切除空載變壓器時產生過電壓的根本原因是因為__________現象。
20.最受頻率因素影響的極化類型是__________極化。
21.雷擊線路時,線路絕緣尚不發生閃絡的最大雷電流幅值稱為線路的__________。
22.中性點絕緣水平與繞組的絕緣水平相等的變壓器為__________絕緣變壓器。
23.當被試品接地時,測量介質損耗角正切值應采用__________接法。
24.絕緣配合的核心問題是確定電氣設備的__________。
三、名詞解釋(本大題共4小題,每小題3分,共12分)
25.沿面放電
26.吸收現象
27.擊桿率
28.沖擊(接地)系數
四、簡答題(本大題共7小題,每小題5分,共35分)
29.通常采取哪些措施防止絕緣子發生污閃現象?
30.如圖為工頻高電壓試驗的基本接線圖,試說明下列元件或設備的名稱及作用。

31.沖擊電暈對線路中的波過程有何影響?
32.現代輸電線路主要采用哪些防雷措施?
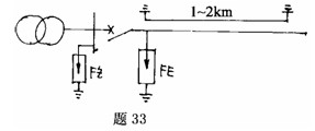
33.如圖為35KV未沿全線架設避雷線的變電所進線段保護接線圖,試簡述各元件的作用。

34.空載線路分閘過電壓產生的原因是什么?限制這種過電壓有哪些措施?
35.什么是電氣設備絕緣的BIL和SIL?


最新資訊
- 自學考試《習概》2024年-2025年真題及答案解析匯總【免費領取】2025-11-17
- 自學考試《馬原》2022年-2025年真題及答案解析【免費領取】2025-11-17
- 2025年10月自考《英語二》完形補文+寫作真題及答案整理2025-10-30
- 備考重點!2025年10月自學考試全專業真題、答案解析合集匯總2025-10-30
- 同步更新!2025年10月自考《英語二》真題及答案匯總(完整版)2025-10-29
- 答案發布!2025年10月自考各專業真題已匯總2025-10-29
- 2025年10月自考《英語二》選擇、完形填空、寫作真題及答案更新!2025-10-28
- 更新!2025年10月自考《英語二》答案匯總2025-10-28
- 簡答題+論述題!2025年10月自考《毛概》真題答案速看2025-10-28
- 2025年10月自考本科對答案!公共課+專業課全科目真題及答案解析2025-10-28