欧美老妇人XXXX-天天做天天爱天天爽综合网-97SE亚洲国产综合在线-国产乱子伦精品无码专区

當前位置: 首頁 > 二級建筑師 > 二級建筑師行業動態 > 一種新型短肢工字鋼懸挑腳手架!

一種新型短肢工字鋼懸挑腳手架!

更新時間:2018-12-26 16:35:04 來源:環球網校 瀏覽220收藏88

二級建筑師報名、考試、查分時間 免費短信提醒

地區

獲取驗證 立即預約

請填寫圖片驗證碼后獲取短信驗證碼

看不清楚,換張圖片

免費獲取短信驗證碼

摘要 既節約了工字鋼的材料,又給裝修施工帶來了方便。,技術人員通過對此工法的進一步提煉獲得了花籃拉桿式腳手架實用新型專利和南京市建筑業協會頒發的QC二等獎。
01

前言

隨著城市建設的飛速發展,高層及超高層建筑物的不斷增多,施工環境愈趨復雜,為了滿足結構施工和外裝飾施工的需要,懸挑式鋼管扣件外腳手架因其適應性廣、承載能力強、搭設與拆除方便等特點受到了廣泛的應用。但以往的懸挑腳手架放置的工字鋼,樓面放置的長度大于懸挑的長度,不僅浪費工字鋼,同時也給后續的施工帶來了不便。江蘇南通二建集團有限公司承建的青城苑項目使用了一種新型的懸挑腳手架,既節約了工字鋼的材料,又給裝修施工帶來了方便。

為了將此項技術推廣應用,通過組織技術人員進行攻關形成了本工法,并進一步推廣到杭州明珠金陵國際大酒店,重慶市人民醫院東方醫院,技術人員通過對此工法的進一步提煉獲得了花籃拉桿式腳手架實用新型專利和南京市建筑業協會頒發的QC二等獎。

02

工法特點

2.1本工法操作方便,適應范圍廣,安全可靠。

2.2本工法改變了傳統用鋼絲繩卸載的施工方法,改用梁端上部用Φ20鋼筋連接,由花籃螺栓擰緊受力可起到固定、卸荷、減輕鋼梁支座彎矩作用,且花籃螺栓和鋼筋可回收二次利用,與常規使用的鋼絲繩比較更安全,且經濟合理,降低成本。

2.3本工法將傳統工字鋼懸挑梁受力變為簡支梁受力,工字鋼截面特征呈對稱,受力明確,鋼梁尾端用螺栓固定,鋼梁懸挑端上部由花籃螺栓擰緊受力,屬于軸心受力的最佳狀態,抗彎性能較好。

2.4本工法改變了傳統型鋼梁在樓面錨固的施工方法,改用型鋼挑梁由螺栓固定在建筑物上,懸挑鋼梁長度比傳統懸挑鋼梁縮短一半以上,降低了成本,而且懸挑鋼梁不必伸入建筑物內,無需墻面預留洞口,墻面施工時無須再次封補,對后續作業樓層面地坪施工不影響,無需等懸挑鋼梁拆除后再進行地坪施工,降低了洞口滲水的質量通病又縮短了工期。

2.5本工法懸挑鋼梁上部基本與混凝土樓層面持平,鋪上舊模板后防護到位,便于清理。

03

適用范圍

適用于高層建筑主體結構四周懸挑陽臺較少建筑,尤其適用于框架結構。

04

工藝原理

懸挑架結構體系由水平鋼梁和花籃螺桿兩部分組成。斜拉式懸挑架,型鋼梁的力學模型為簡支結構,挑梁由工字鋼一端固定于主體結構,挑梁與建筑物之間連結采用經熱處理的10.9級的高強螺栓,斜拉式園鋼拉桿固定在上部主體結構上,斜拉桿、通過鋼板相互連接,由花籃螺栓擰緊受力,組成一個三角形型鋼承重體系。

05

施工工藝流程及操作要點

5.1.工藝流程

搭設準備工作→懸挑架體材料制作→懸挑架體材料檢查→墻體圈梁埋設套管→安裝懸挑工字鋼挑梁→安裝花籃斜拉桿→擰緊花籃、調整懸挑梁端頭高度→驗收→進行上部腳手架搭設(包括拉墻鋼管搭設)→根據現場情況拆除臨時腳手架

5.2.搭設懸挑架準備工作

熟悉工程建筑結構施工圖、編制懸挑架及腳手架施工組織設計。根據施工圖確定腳手架分段高度(每段不宜超過28m)確定懸挑架沿建筑物縱向間距,確定懸挑架使用類型(普通型、加長型、超長型)數量,發現現場情況與設計型號相抵觸時,及時與技術部門溝通協調,修改設計。在此基礎上繪制懸挑腳手布置平面圖和剖面圖,作為施工組織內容之一。

5.3懸挑架體材料制作

5.3.1工字鋼端部鐵板下料和焊接

1、根據選定的16#工字鋼的長度和鐵板的大小及厚度繪制加工平面圖,見下圖,對工人進行交底,現場用氧氣切割下料,同時也可委托加工廠進行成品加工。

圖5.3.1-1 鋼板加工平面圖

圖5.3.1-2 工字鋼及鋼板現場下料圖

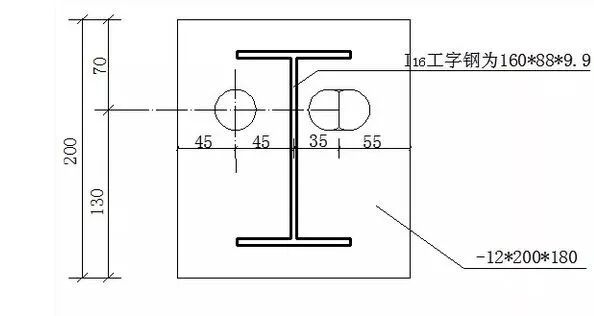
2、取工字鋼長1.5米,距工字鋼前端10公分處焊接Φ22*30㎜鋼筋頭,以穩固腳手架立桿,距焊接鋼筋頭15公分處焊接100*100*12㎜鐵板一塊,末端采用200*220*12㎜鐵板與工字鋼焊接,孔距為110㎜,見圖5.3.1-3。

 

圖5.3.1-3 工字鋼及鋼板現場焊接圖

5.3.2花籃螺栓的加工

1、根據方案計算后選定的螺栓形狀、尺寸、規格進行下料切割,繪制花籃螺栓的加工平面圖,對工人進行交底后現場加工,見圖5.3.2-1。

2、取Φ20*1.6米、Φ20*1.0米碳素優質鋼與三根Φ14碳素優質鋼進行雙面焊接,加工成型的花籃螺栓進行組合安裝(正反牙具),見圖5.3.2-2。

 

圖5.3.2-1 花籃螺栓加工平面圖

圖5.3.2-2 花籃螺栓現場加工圖

5.3.3拉桿制作與焊接

1、將上、下拉桿與耳板繪制加工平面圖,并對工人進行交底,現場切割下料,見圖5.3.2-3~見圖5.3.2-6。

2、上端Φ20*1.6米碳素優質鋼與250*10*12㎜鐵板彎曲成20度(根據樓層面而定),打孔切割槽距(槽距為20*100)后進行坡口焊接,見圖5.3.2-7。

3、下端Φ20*1.0米碳素優質鋼與250*10*12㎜鐵板(根據樓層面而定),打孔切割槽距(槽距為20*100)后進行坡口焊接,見圖5.3.2-8。

 

圖5.3.2-3 上拉桿與建筑物拉結剖面圖

 

圖5.3.2-4 上拉桿平面加工圖

 
 

圖5.3.2-5 坡口焊剖面圖

 

圖5.3.2-6 下拉桿及連接板加工平面圖

圖5.3.2-7 拉桿現場加工圖

圖5.3.2-8 連接板現場加工圖

5.4對懸挑架構配件檢查

將懸挑架構配件,對照施工組織設計要求進行全數檢查。核對型號、規格、數量、構件外形變化,連結板缺陷,螺栓孔與螺栓匹配,填寫檢查表。

5.5.梁內套管預埋

5.5.1頂板模板支設完成后,梁外模合模前,根據限制的腳手架工字鋼平面布置圖,精確在模板面上放出定位線,見圖5.5.1。

圖5.5.1 螺栓孔放線圖

5.5.2上端:在工字鋼懸挑的上樓層對應處預埋25*200㎜套管一根,套管兩端采用膠帶封閉,焊接在梁、墻柱上;

5.5.3下端:懸挑前高強螺栓套管預埋采用Φ25*200㎜空心鋼管預埋,兩頭用膠帶封閉,埋入鋼筋綁扎梁、墻柱中進行焊接固定,轉角處采用200*220*12㎜鐵板預埋;

5.5.4套管預埋好后,派專人對套管的平面布置尺寸和高度位置進行復核,確保套管的位置偏差減小到最小。

5.5.5混凝土澆筑過程中,應派專人跟蹤作業,嚴禁在有預埋套管的位置下料,在振搗過程中,操作人員嚴禁碰撞套管。

5.6工字鋼的安裝

5.6.1待混凝土的強達到要求后,拆除梁的側模,疏通預埋梁內套管,將20*300㎜高強螺栓加墊片從套管孔中由內往外穿過,見圖5.6.1。

圖5.6.1 高強螺栓放置圖

5.6.2將加工好的工字鋼端部套入放置好的兩個高強螺栓,然后分別在螺栓上加墊片配兩個高強螺帽,用扳手將螺帽擰緊,見圖5.6.2。

圖5.6.2 工字鋼緊固圖

5.6.3對于轉角處工字鋼由于預埋螺栓無法預埋和角度受限,轉角處必須放置的工字鋼可采用鋼板,再根據現場實際情況,現場將工字鋼與鋼板焊接,見圖5.6.2。

圖5.6.2 轉角處工字鋼焊接圖

5.7腳手架掃地桿搭設

5.7.1待懸挑工字鋼全部安裝就位后,在工字鋼上先布設懸挑架掃地桿,掃地桿布設好后,將立桿套在鋼筋頭上,并與掃地桿連接牢固,見圖5.7.1。

圖5.7.1 懸挑架掃地桿布設圖

5.7.2依據普通腳手架搭設要求完成懸挑層架體的搭設。

5.8花籃螺栓上下拉桿安裝

5.8.1待懸挑上一層混凝土達到強度后,拆除梁側模,將高強螺栓加墊片從套管中由內往外穿出,并將上拉桿的耳板與高強螺栓用雙螺母加墊片固定牢固。

5.8.2將下拉桿與工字鋼上的耳板用高強螺栓加墊片進行初步固定,待上拉桿伸入后牢固固定,見圖5.8.3-1。

5.8.3將花籃螺栓孔與下拉桿絲扣對接不斷旋轉,然后松開耳板螺絲,將花籃螺栓伸入上拉桿絲扣旋轉,直至旋轉不動,然后用工具將花籃螺栓旋轉至下拉桿耳板與工字鋼耳板正好可以伸入高強螺栓后,及時穿入螺栓并擰緊螺栓,見圖5.8.3-2。

圖5.8.3-1花籃螺栓與下拉桿連接圖

圖5.8.3-2花籃螺栓與上拉桿連接圖

5.8.4最后用工具將花籃螺栓旋轉至旋轉不動,確認拉桿擰緊后,結束上下拉桿的安裝,見圖5.8.4。

圖5.8.4 花籃螺栓緊固圖

5.8.5懸挑層腳手架搭設完成后,及時用舊模板將懸挑層封閉處理,見圖5.8.5。

圖5.8.5 懸挑架內立面圖

5.9維護

5.9.1拉結拉好,應對所有牙具采用黃油包裹保護;

5.9.2定期檢查花籃螺栓是否銹蝕、松動。

06

材料與設備

6.1加工制作材料要求

加工懸挑架的主要材料、零部件,成品件,標準件等產品均進行驗收。

6.1.1鋼材的品種、規格、性能等應符合國家產品標準和設計要求。檢查數量:全數檢查。

6.1.2鋼板厚度及允許偏差應符合其產品標準要求,檢查數差,每一品種規格的鋼板抽查5處。

6.1.3型鋼的規格尺寸及允許偏差應符合產品標準要求。

檢查數量:每一品種、規格的型鋼抽查5處。

檢查方法:鋼尺和游標卡尺量測。

6.1.4鋼材表面外觀質量除應符合國家現行有關標準的規定外,尚應符合以下要求:

(1)當鋼材的表面有銹蝕麻點或劃痕等缺陷時,其深度不得大于該鋼材厚度允許偏差值的1/2

(2)鋼材表面銹蝕等級應符合現行國家規范標準(涂裝前鋼材表面銹蝕等級和除銹等級)GB8923規定的C級及C級以上。

(3)鋼材端邊或斷口處不應有分層、夾渣等缺陷。

檢查數量:全數檢查

檢查方法:觀察檢查。

6.2焊接材料要求

6.2.1 焊接材料、品種、規格、性能等應符合現行國家產品標準和設計要求。

檢查數量:全數檢查

檢查方法:檢查焊接材料和質量合格證書文件、中文標志及檢驗報告。

6.2.2拉桿、連接鋼板。焊接材料應進行抽樣復驗。復驗結果應符合現行國家產品標準和設計要求。

檢查數量:全數檢查

檢查方法:檢查復驗報告

6.2.3焊條外觀:不應有藥皮脫落。焊芯生銹等缺陷:焊劑不應受潮結塊。

檢查數量:按量抽查1%,且不應小于10包。

檢查方法:觀察檢查。

6.3連接用緊固標準件

6.3.1主要材料

高強度大六角頭螺栓連接,副、扭剪型高強螺栓連接副用的高強螺栓,其品種、規格、性能等應符合現行國家產品標準和設計要求,出廠時應分別隨箱帶有扭矩系數和緊固力(預應力)的檢查報告等。

6.3.2高強度六角頭螺栓連結按規范附錄B的規定檢驗其扭矩系數,其檢驗結果應符合附錄B的規定。

6.3.3高強螺栓連結,應按包裝箱配套供貨,包裝箱上應標明批號、規格、數量、日期、螺栓、螺帽、墊圈外觀表面應涂油保護,不應出現生銹和沾染臟污,螺紋不應損傷。

檢查數量:按包裝箱數量抽查5%且不應小于3箱

檢查方法:觀察檢查。

6.3.4涂裝材料

鋼結構防銹涂料、稀釋劑和固化劑等材料的品種、規格、性能等應符合現行國家產品標準和設計要求。

檢查數量:全數檢查。

檢查方法:檢查產品的質量合格證明文件、中文標志及檢驗報告等。

6.4焊接焊縫要求

6.4.1焊條、焊劑等焊接材料,與母材匹配應符合設計要求及國家現行行業標準(建筑鋼結構焊接技術規程)JGJ81的規定。

檢查數量:全數檢查

檢查方法:檢查質量證明書和烘焙記錄。

6.4.2焊工必須經考試合格并取得合格證書。持證焊工必須在其考試合格項目及其認可范圍呢施焊。

檢查數量:全數檢查。

檢查方法:檢查焊工合格證及其認可范圍的有效期。

6.4.3設計要求全焊透的一、二級焊縫應采取超聲波探傷進行內部缺陷的檢驗。

一級、二級焊縫的質量等級及缺陷分級應符合下表的規定:

檢查數量:全數檢查

檢查方法:檢查超聲波探傷記錄。

 

表6.1

6.4.4焊縫表面不得有裂縫、焊瘤等缺陷。一級、二級焊縫不得有表面氣孔、夾渣、弧坑裂縫、電弧擦傷等缺陷。且一級焊縫不得有咬邊、未焊滿根部收縮等缺陷。

檢查數量:每批同類構件抽查10%,且不應少于3件,被抽查構件中每一類型焊縫按條數抽查5%,且不應少于1條,每條檢查1處,總抽查數不應少于10處。

檢查方法:觀察檢查或用放大鏡、焊縫量規和鋼尺檢查。

6.4.5對一般項目檢查:對二級、三級焊縫外觀質量標準符合規范附錄A中表A.0.1規定。焊縫尺寸允許偏差符合A.0.2的規定。焊縫感觀應達到:外形均勻,成型較好,焊道與焊道、焊道與基本金屬間過度較平滑,焊渣和飛濺物基本清楚干凈。

檢查數量:每批同類構件抽查10%且不少于3件,被抽查的構件中,每種焊縫按數量各抽查5%,總抽查處不少于5處。

6.5緊固件連結

高強度螺栓連結。高強度大六角頭螺栓連結終擰完成1h后48小時內應進行終擰扭矩檢查,檢查結果應符合本規范附錄B的規定。

 

螺栓預應力值范圍(KN)

表6.2

6.6鋼零件及鋼部件加工

6.6.1切割主控項目

(1)鋼材切割面或剪切面應無裂縫、夾渣、分層和大于1mm的缺陷

檢查數量:全數檢查

檢查方法:觀察或用放大鏡及百分尺檢查

(2)氣割允許偏差符合下表規定

 

表6.3

6.6.2制孔

(1)制孔主控項目:A、B級螺栓孔(I類孔)應具有H12的精度,孔壁表面粗糙度R。不應大于12.5Um。其孔徑允許偏差符合下表規定。

表6.4

檢查數量:按鋼材數量抽查10%,且不應少于3件

檢查方法:用游標卡尺或孔徑量規檢查。

6.7組裝

6.7.1焊接連接組裝的允許偏差應符合下表規定

檢查數量:按構件數抽查10%,且不少于3個檢查方法:用鋼尺檢驗

6.7.2頂緊接觸面應有75%以上的面積緊貼。

檢查數量:按接觸面積的數量抽查10%,且不應少于10個

檢查方法:用0.3mm塞尺檢查,其塞入面積應少于25%,邊緣間隙不應大于0.8mm。

6.7.3安裝焊縫坡口的允許偏差符合下表

表6.6

檢查數量:按坡口數量抽查10%,且不應少于3條。

檢查方法:用焊縫量規檢查。

6.8鋼構件外形尺寸

鋼構件外形尺寸主控項目的允許偏差應符合下表

6.8.1挑梁面:

(1)套堅鋼管短鋼筋頭 ±5.0

(2)斜拉桿下端連結板 ±3.0

(3)挑梁端頭連結板 ±3.0

(4)挑梁端頭連結板上螺栓孔偏位 ±2.0

6.8.2斜拉桿與連結板偏位

(1)螺栓孔偏位 ±2

(2)連結板偏位 ±2

6.9主要機具

本工法所需的施工機械、設備為工地常見機械、設備,無需增加投資另外購置,主要電焊機、氣割設備、塔吊,具體如下:

(1)測量放線與檢測:水準儀、經緯儀、鋼卷尺、力矩扳手、水平尺。

(2)安裝工具:電焊機、氣割設備、錘子、扳手、配合塔吊。

(3)電源:配電箱、開關箱、動力電纜。

07

質量控制

7.1本懸挑架承受腳手架最大高度不應超過28m。

7.2懸挑架沿建筑物縱向間距為1.40~1.50,個別轉角處外排腳手立桿最大間距≤1.70。

7.3懸挑架斜拉桿上端與下端垂直距離≥2.80,仰角不能太小。普通型挑梁斜拉桿仰角大于55°。斜拉桿下端必須靠近外排腳手立桿,不得隨意改變下拉連結板位置。

7.4超長型懸挑梁斜拉桿采用雙根斜拉桿,不得有誤。

7.5處于人貨電梯出入口處懸挑架,因荷載較大, 與設計設定不一致,必須進行加強,增加懸挑架數量,并在施工組織設計中給予明確規定。

7.6懸挑梁斜拉桿上拉點,及挑梁下撐點,預留螺栓孔位置、規格正確。上拉點、下撐點。通常設于砼圈梁處或邊梁邊處。

7.7斜拉桿上拉點鐵板外側配備70*70*8壓板,在壓板外配設雙螺母,螺栓端外露長度≥1只螺母厚度。確保該點使用可靠不變形。

7.8懸挑架完成后,由項目部技術負責人召集,項目經理參加的質量員、安全員、挑架制安負責人進行驗收,驗收內容如下:

(1)材料品種、規格,制作焊縫,查對制作時檢查記錄。

(2)懸挑架與建筑物連結時砼強度達到設計值80%以上。

(3)穿墻高強螺栓品種、規格符合設計要求

(4)螺栓、墊圈或墊板、壓板不得漏缺。

(5)擰緊高強螺栓抽查5%,8.8級Φ20螺栓預應力值達120KN,不合格數不得大于抽查數10%。

(6)挑梁間距縱向允許偏差不超過±50mm。

(7)挑梁必須水平、水平度小于L/1000,且不得大于20。

(8)挑梁間高差不超過±20

7.9使用過程中,根據工程特點分為以下幾個階段進行檢查

(1)懸挑鋼梁安裝固定完畢后架子搭設前,主要檢查安裝的尺寸位置,安裝是否牢固,頂板混凝土強度是否達到要求。

(2)作業層上施加施工荷載前

(3)每搭完10~13m高度后

(4)達到設計高度后

(5)遇有六級大風與大雨后

(6)停用超過一個月

除了按以上幾個階段進行檢查外,項目安全部門每周必須對架子進行不少于二次的周檢,技術部門安排測量人員及時做好架子的變形觀測,觀測項目主要是架子的垂直度和變形。

7.10架子每次的檢查驗收均由安全檢查部門做好檢查記錄,納入安全資料內存檔。架子驗收和定期檢查的主要項目:

(1)桿件的設置和連接,連墻件、支撐、卸料平臺處的構造

(2)扣件螺栓是否松動

(3)架子的變形

(4)安全防護措施

(5)是否超載

08

安全措施

8.1登高架設作業人員(架子工),必須經專業安全技術培訓,考試合格,持特種作業操作證上崗作業。

8.2登高架設作業人員(架子工)在施工過程中要正確使用個人安全防護用品,著裝必須靈便(緊身緊袖),在高處作業時,必須穿防滑鞋,佩戴安全帶。

8.3在進行懸挑腳手架搭設之前,必須組織搭設人員,認真領會腳手架專項安全施工組織設計和安全技術措施交底的要求,研討搭設方法,明確分工,并派1名技術好、有經驗的人員負責搭設技術指導和監護。

8.4風力六級以上(含六級)強風和高溫、大雨、大雪、大霧等惡劣天氣,應停止腳手架德的搭設與拆除作業。風、雨、雪過后要進行檢查,發現傾斜下沉、松扣、崩扣要及時修復,合格后方可使用。

8.5腳手架要結合工程進度搭設,搭設未完的腳手架,在離開作業崗位時,不得留有未固定構件和不安全隱患。

8.6工程負責人、安全員、架子工班長應按腳手架搭設的進度分段對腳手架驗收,并填寫《施工腳手架驗收表》,經驗收合格后方可投入使用。

8.7高處作業所用的物料應堆放平穩,工具應隨手放入工具袋,拆卸下的物體、剩余材料和廢料等都要加以清理和及時運走,不得任意亂擲或向下丟棄。傳遞物體時不能拋擲。

8.8所有安全防護設施和安全標志等,任何人不得毀損或擅自移動或拆除。確因作業需要而暫時拆除或變動安全防護設施時,必須報請批準后才能拆除,并在作業完成后進行復原。

8.9施工現場安全員要每天對腳手架進行安全檢查,尤其是對固定工字鋼的高強螺栓、焊縫、花籃螺桿、連墻件、腳手板、兜網、攔腰桿等進行檢查,發現問題及時整改。

8.10在腳手架上進行電器焊作業時,要鋪鐵皮接著火星或移去易燃物,

以免火星點著易燃物。并同時準備防火措施。一旦著火時,及時予以撲滅。

8.11架上作業人員應做好分工和配合,傳遞桿件時應掌握好重心,平穩傳遞,材料要輕擱穩放,不需采用傾倒、猛磕或其他匆忙卸料方式。

8.12懸挑腳手架底部與墻體間的間隙用竹夾板封堵嚴密,預防物體從中墜落。

8.13利用懸挑的水平工字鋼作為水平避雷帶,與建筑物防雷引下線之間采用Φ12鍍鋅鋼筋焊接連接,防雷接地電阻組織不大于10Ω。

09

環保措施

9.1搭設腳手架搭設與拆除作業中,材料運輸要做到輕拿輕放,以免產生噪聲,影響居民的生活。

9.2工字鋼、鋼管等材料在刷防銹漆和安全警示油漆的過程中防止油漆的滴落,油漆廢料不得隨意丟棄,以免污染土壤、水體和大氣。

9.3遇三級及三級以上風力時,禁止拆除腳手架立面安全網和底部封閉層,以防止揚塵污染。

9.4要嚴把密目式安全網的質量關,禁止使用非阻燃性安全網,以免產生火災。廢棄的安全網集中回收,不得隨意丟棄。

9.5做好施工總平面圖的設計與管理,根據現場的實際情況,要做好環境保護。電焊的廢氣盡量減少,噪聲盡量降低,減少電焊弧光刺激。充分利用加工場地,盡量減少在露天燒電焊和預制加工,對不可避免的電焊要采取圍護措施。

9.6做好環境保護工作,采取措施防止環境污染,對施工垃圾、固體廢棄物集中堆放在指定地點,定期處理,再生資源充分回收

10

效益分析

10.1經濟效益

根據新頒發的《建筑施工腳手架技術規范》(130-2011)規定,懸挑鋼梁的設計為1:1.25,現工具式懸挑鋼梁1.3米,減少了原擱置樓層內的1.7米工字鋼和園鋼拉環錨固;鋼絲繩拉結原每根需要4米鋼絲繩、一只花籃螺栓、6只繩卡,鋼絲繩每米4元,需費用16元,經測算現每根懸挑鋼梁的直接成本費用可節省176元。南京青城03#樓,使用的工具式懸挑式腳手架與普通鋼絲繩懸挑腳手架經濟投入成本節約了近12萬元。

10.2社會效益

工具式懸挑式腳手架確保了安全與美觀于一體。大大節約了成本,縮短了工期,預控了外墻滲水等質量通病;

施工方便,假如用普通鋼絲繩懸挑腳手架對施工帶來了多層地坪施工無法結尾,影響工程整體竣工時間,需要拆了鋼絲繩和工字鋼后才能澆筑懸挑層地坪,而使用工具式懸挑腳手架可以直接進行地坪施工,化解了腳手架懸挑鋼梁對地坪澆筑的影響。最主要的工具式懸挑腳手架可以重復周轉利用,既縮短了工期又節約了成本,且降低了安全風險。

11

工程實例

11.1工程實例一

南京青城苑03#幢住宅樓位于南京市江寧開發區將軍大道與佛城西路的環島交匯處,結構類型為框架剪力墻結構,建筑面積73600平方米,開工時間2010年3月,竣工時間2012年11月,樓層為32層,總高度約88.75米。外墻為200厚蒸壓輕質加氣砼砌塊,混合砂漿砌筑,本工程外墻為20厚擠塑板保溫墻面,部分為干掛花崗巖墻面。腳手架采用花籃拉桿工具式懸挑腳手架,從5層樓面向上搭設,共分四段懸挑,使用效果良好,得到業主、主管部門的好評。

11.2工程實例二

杭州明珠金陵國際大酒店共由地下室和主樓、裙樓及雨污水處理池組成,其中地下一層,裙樓為框架4層,主樓為剪力墻23層,工程總建筑面積約57000萬平方米,開工時間2011年3月,竣工時間2013年11月。腳手架采用花籃拉桿工具式懸挑腳手架,從4層樓面向上搭設,共分三段懸挑,使用效果良好,得到業主、主管部門的好評。

11.3工程實例三

重慶市人民醫院東方醫院地下一層,地上21層,建筑面積47968.98平方米。地上21層全部為住院部,建筑總高度89.90米。開工時間2011年4月,竣工時間2013年8月,外墻腳手架采用花籃拉桿工具式懸挑腳手架,為方便地下室外墻的防水施工和土方回填,第一步挑架先設在二層樓面,待土方回填沉實澆筑硬地面后再搭設落地腳手架;上部分別在六層、十二層、十八層上設挑架。

分享到: 編輯:環球網校

資料下載 精選課程 老師直播 真題練習

二級建筑師資格查詢

二級建筑師歷年真題下載 更多

二級建筑師每日一練 打卡日歷

0
累計打卡
0
打卡人數
去打卡

預計用時3分鐘

環球網校移動課堂APP 直播、聽課。職達未來!

安卓版

下載

iPhone版

下載

返回頂部