2012年電氣工程師考試考前訓練每天一練7.17
更新時間:2012-07-17 13:52:52
來源:|0
瀏覽
收藏
電氣工程師報名、考試、查分時間 免費短信提醒
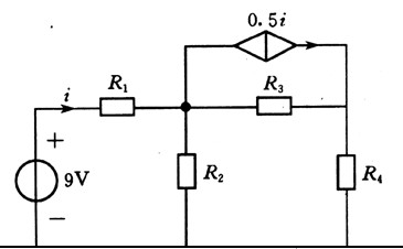
2. 對圖所示電路,已知R1=2Ω,R2=4Ω,R3=R4=1Ω,求電流i。
(A)3A
(B)-3A
(C)0
(D)5A
解:將受控電流源轉化為電壓源

編輯推薦
最新資訊
- 2025年注冊電氣工程師考試題練習2025-06-13
- 2025年注冊電氣工程師考試試題練習2025-04-30
- 2024年電氣工程師考試試題及答案2024-10-13
- 24年注冊電氣工程師考試試題2024-07-30
- 注冊電氣工程師模擬考試試題2023-04-20
- 2022年注冊電氣工程師試題與答案2022-04-27
- 2022年電氣助理工程師考試題及答案2022-04-21
- 注冊電氣工程師證含金量高嗎2022-04-20
- 2022年電氣工程師考試題及答案2022-04-20
- 2022年電氣工程師試題與答案2022-04-18



